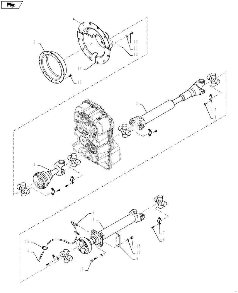
Запчасти Case 721F (21.113.02) - DRIVE SHAFT INSTALLATION - HEAVY DUTY (21) - TRANSMISSION

Схема запчастей Case 721F - (21.113.02) - DRIVE SHAFT INSTALLATION - HEAVY DUTY (21) - TRANSMISSION
13
home
15
7
16
10
12
2
17
7
8
18
5
6
9
3
14
1
8
11
4
FIT
1:1
100%

Артикул

Название

Примечание

Количество

1

84252886

DRIVE SHAFT

Rear

1шт.

2

84234395

DRIVE SHAFT

Front

1шт.

3

84234394

DRIVE SHAFT

Center

1шт.

4

F53473

LOCK NUT,1/8-27 NPSM

Hex 1/8-27 NPSM

1шт.

5

L54694

HOSE,4.8mm ID x 1041mm L

Grease

1шт.

6

87567190

PLATE

Carrier Bearing

1шт.

7

87439403

STRAP

Bearing

10шт.

8

19-6247

BOLT,3/8" - 24 x 0.75", Grade 8

12PT

20шт.

9

8501111

COUPLING FLANGE

, Serial Range: Flywheel-Driveshaft

1шт.

10

863-10020

HEX SOC SCREW,M10 x 20mm, Cl 12.9

8шт.

11

896-15010

WASHER,11mm ID x 24mm OD x 3mm Thk

12шт.

12

806-10030

BOLT,Hex, M10 x 1.5 x 30mm, Cl 10.9

12шт.

13

760-14113

SELF-TAP SCREW,Pan Hd, M3.5 x 13

2шт.

14

87522101

COVER

Dust

1шт.

15

L11541

CABLE TIE,203.2mm L, Nylon

CABLE STRAP

2шт.

16

896-11012

WASHER,13.5mm ID x 24mm OD x 3mm Thk

8шт.

17

827-12060

BOLT,Hex, M12 x 1.75 x 60mm, Cl 10.9

4шт.

18

832-10412

NUT,M12 x 1.75, Cl 8

4шт.

Выбрано товаров: 18