Запчасти Case 721F (35.300.01) - HYDRAULICS - RESERVOIR RETURN (35) - HYDRAULIC SYSTEMS

Схема запчастей Case 721F - (35.300.01) - HYDRAULICS - RESERVOIR RETURN (35) - HYDRAULIC SYSTEMS
20
19
1
8
23
1
18
4
xx.xxx.xx
21
xx.xxx.xx
home
26
22
5
1
9
25
1
10
21
27
24
14
5
7
2
1
3
19
17
6
13
7
16
7
12
15
29
1
1
28
FIT
1:1
100%

Артикул

Название

Примечание

Количество

REF

INSTRUCTION

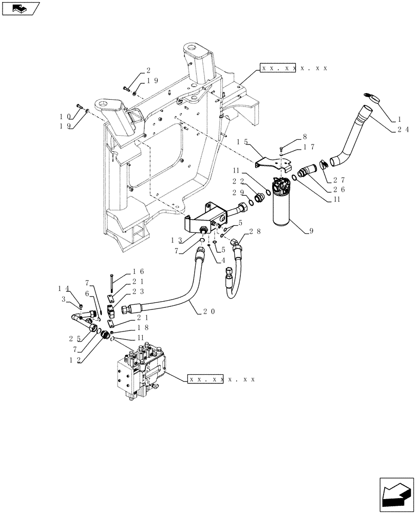
RESERVOIR RETURN

1шт.

1

L115548

CLAMP,57.15mm - 79.38mm

Constant Torque

1шт.

2

86639031

BOLT,Hex, M12 x 45mm, Cl 10.9, Full Thd

2шт.

3

9825770

O-RING,0.07" Thk x 0.301" ID, -11, Cl 6, 90 Duro

2шт.

4

9993141

O-RING,0.07" Thk x 0.364" ID, -12, Cl 6, 90 Duro

1шт.

5

9992069

O-RING,0.07" Thk x 0.614" ID, -16, Cl 6, 90 Duro

3шт.

6

238-6021

O-RING,15/16 X 1 - 1/16, Cl 6

1шт.

7

238-6025

O-RING,0.07" Thk x 1.176" ID, -25, Cl 6, 90 Duro

3шт.

8

11106231

BOLT,Hex, M10 x 1.5 x 25mm, Cl 10.9

4шт.

9

NSS

NOT SOLD SEPARAT

See Fig 35.300.03

1шт.

10

337563

BOLT,M12 x 1.75 x 47.68mm, Cl 10.9

4шт.

11

637-64386

O-RING,2.9mm Thk x 38.6mm ID, Cl 6, 90 Duro

3шт.

12

86579685

HYD CONNECTOR,1 11/16"-12 ORFS x M42 x 2 ORB

Incl. Ref. 7, 11

1шт.

13

84211613

HYDRAULIC MANIFOLD

1шт.

14

87668376

CAP,9/16"-18 Inch THD

4 ORFS

1шт.

15

84374334

BRACKET, SUPPORTING

Filter Mounting; Black

1шт.

16

86639150

BOLT,Hex, M10 x 150mm, Cl 10.9

2шт.

17

14496621

WASHER,10.5mm ID x 21mm OD x 2mm Thk

4шт.

18

832-10410

NUT,M10 x 1.5, Cl 8

2шт.

19

86625256

WASHER,13.3mm ID x 28.5mm OD x 4mm Thk

6шт.

20

8500235

FLEXIBLE HOSE,31.75mm ID x 1103mm L, SAE 100R1

Articulation Return

1шт.

21

2781782

PLATE

Clamp; Plated

2шт.

22

86997863

HYD CONNECTOR,2" - 12 ORFS x M42 x 2 ORB

Incl. Ref. 11,29

1шт.

23

87452747

CLAMP,33.4mm ID

Tube Mounting

1шт.

24

87318399

HYDRAULIC HOSE,50.80 mm ID, 63.50 mm ID x 429.00 mm

Filter Return

1шт.

25

87450466

HYD TUBE

Valve Return

1шт.

26

76082931

ADAPTER

Filter' Plated

1шт.

27

254026A1

HOSE CLAMP,44.45mm - 66.67mm

Constant Torque

1шт.

28

87369394

HOSE ASSY.

Steering Return

1шт.

29

9840589

O-RING,0.07" Thk x 1.489" ID, -29, Cl 6, 90 Duro

1шт.

Выбрано товаров: 30