Запчасти Case 721F (35.724.01) - VALVE, CONTROL - MOUNTING, TWO, THREE SPOOL (Z-BAR/XT LOADER) (35) - HYDRAULIC SYSTEMS

Схема запчастей Case 721F - (35.724.01) - VALVE, CONTROL - MOUNTING, TWO, THREE SPOOL (Z-BAR/XT LOADER) (35) - HYDRAULIC SYSTEMS
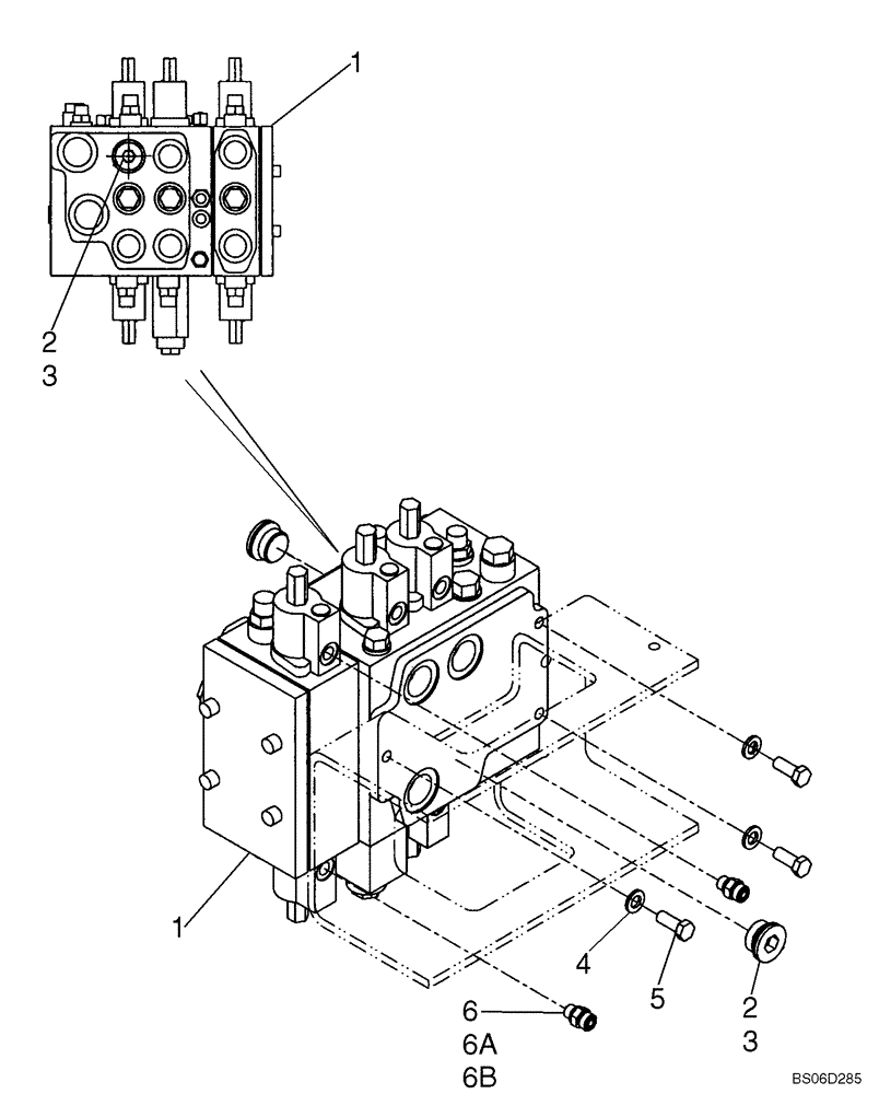
5
3
2
4
1
1
6
2
6b
3
6a
FIT
1:1
100%

Артикул

Название

Примечание

Количество

1

87539262

HYDRAULIC VALVE

Two Spool, Z-Bar Loader Valve, Replaces 87450850, End Plate And Screw Change

1шт.

1

87539263

HYDRAULIC VALVE

Three Spool, Z-Bar Loader, Replaces 87450851, End Plate And Screw Change

1шт.

1

87592834

HYDRAULIC VALVE

Two Spool, XT Loader Valve, Replaces 87539265, End Plate And Screw Change

1шт.

1

87592835

HYDRAULIC VALVE

Three Spool, XT Loader Valve, Replaces 87539266, End Plate And Screw Change

1шт.

2

86583482

HEX SOCKET PLUG,M33 x 2

Incl 3, Z-Bar Loader Valve

2шт.

3

637-64296

O-RING,2.9mm Thk x 29.6mm ID, Cl 6, 90 Duro

Boss Seal

1шт.

4

86625255

WASHER,13.3mm ID x 24.5mm OD x 3mm Thk

3шт.

5

43260

BOLT,Hex, M12 x 1.75 x 30mm, Cl 10.9, Full Thd

3шт.

6

86579671

HYD CONNECTOR,11/16" - 16 ORFS x M14 x 1.5 ORB

Incl 6A, 6B, If Used

2шт.

7

9993141

O-RING,0.07" Thk x 0.364" ID, -12, Cl 6, 90 Duro

Face Seal

1шт.

8

86598099

O-RING,2.2mm Thk x 11.3mm ID, Cl 6

1шт.

Выбрано товаров: 11