Запчасти Case 721F (41.200.03[01]) - STEERING AUXILIARY, PUMP (41) - STEERING

Схема запчастей Case 721F - (41.200.03[01]) - STEERING AUXILIARY, PUMP (41) - STEERING
14
5
4
13
8
4
7
3
6
2
11
16
10
1
9
15
41.200.03 02
41.200.03 03
home
13
12
FIT
1:1
100%

Артикул

Название

Примечание

Количество

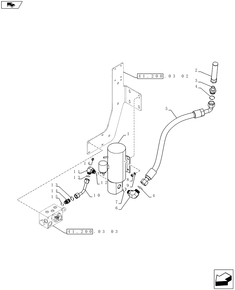
1

87581480

ELECTRIC PUMP

Assy; Auxiliary Steering

1шт.

2

76086854

FILTER

Hydraulic Tank

1шт.

3

87433494

HYD CONNECTOR

STR THD 25MM ORFS X 3/4 NPD

1шт.

4

9824050

O-RING,0.07" Thk x 0.926" ID, -21, Cl 6, 90 Duro

2шт.

5

87592639

HOSE ASSY.

Auxiliary Suction

1шт.

6

87010650

ELBOW,90 Degree, 1 7/16"-12 ORFS x M27 x 2 ORB

1шт.

7

86598103

O-RING,2.9mm Thk x 23.6mm ID, Cl 6, 90 Duro

1шт.

8

832-10410

NUT,M10 x 1.5, Cl 8

4шт.

9

86625251

WASHER,10.5mm ID x 18mm OD x 1.6mm Thk

4шт.

10

87591383

TUBE,13.11 mm ID x 15.88 mm OD x 98.8, 80.9 mm L

Auxiliary Pressure; Plated

1шт.

11

5194728

90 ELBOW

M22X1.5 PRB 1-14 ORFS

1шт.

12

82016732

SEAL,19.6mm ID x 24.3mm OD x 1.5mm Thk

EOLASTIC M22X1.5 ISO 9974/DIN 3852

1шт.

13

9992069

O-RING,0.07" Thk x 0.614" ID, -16, Cl 6, 90 Duro

2шт.

14

5192291

HYD CONNECTOR,1" - 14 ORFS x M22 x 1.5 ORB

M22x1.5 x 1-14

1шт.

15

86598102

O-RING,2.2mm Thk x 19.3mm ID, Cl 6, 90 Duro

1шт.

16

253347A1

NUT,Hex, M10 x 1.5

M10-1.5; Brass

1шт.

Выбрано товаров: 16