Запчасти Case 721F (41.200.07) - NO JOYSTICK STANDARD STEERING (41) - STEERING

Схема запчастей Case 721F - (41.200.07) - NO JOYSTICK STANDARD STEERING (41) - STEERING
1
4
2
4
3
5
FIT
1:1
100%

Артикул

Название

Примечание

Количество

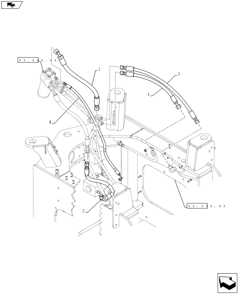
1

87519793

HOSE ASSY.

Steering Return

1шт.

2

87372968

HOSE ASSY.

Steering Supply

1шт.

3

87519797

HOSE ASSY.

Load Sense

1шт.

4

8602590

FLEXIBLE HOSE

RH Side Rod

1шт.

5

87519795

HOSE ASSY.

Steering Cylinder

1шт.

Выбрано товаров: 5