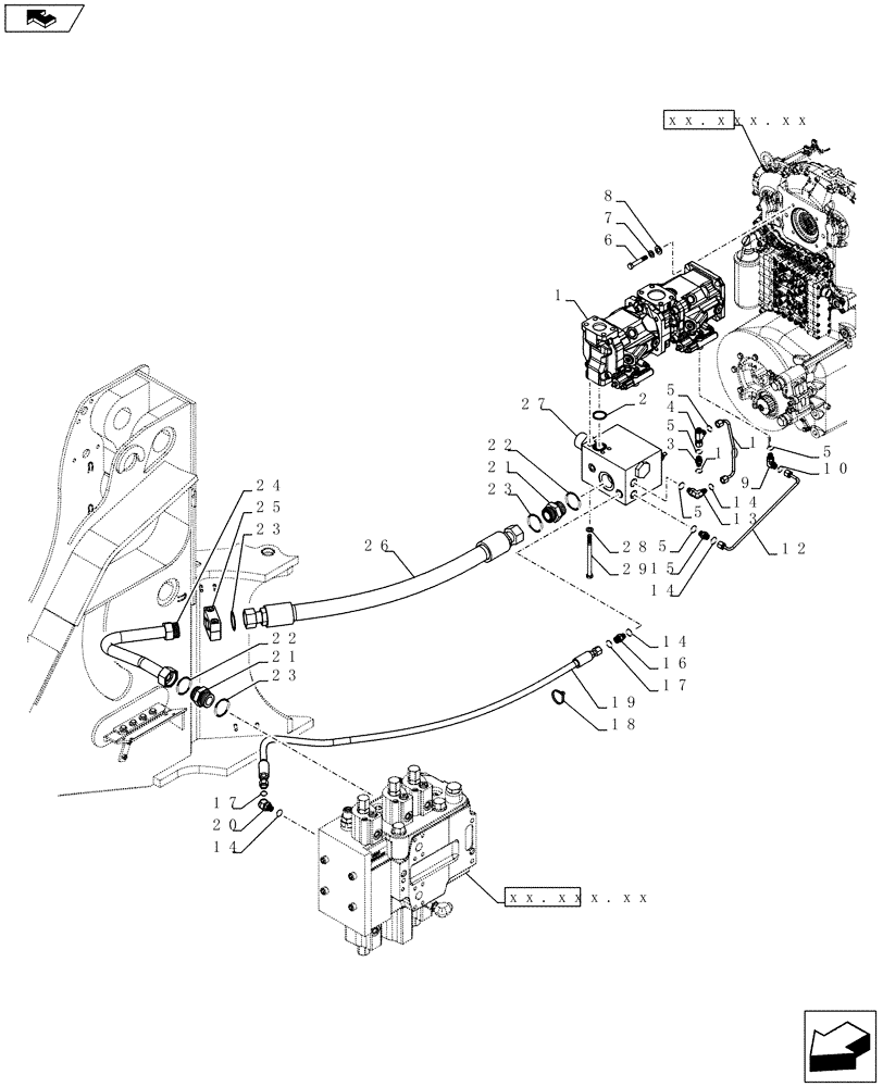
Запчасти Case 721F (41.200.13[01]) - PRIORITY PUMP INSTALLATION (41) - STEERING

Схема запчастей Case 721F - (41.200.13[01]) - PRIORITY PUMP INSTALLATION (41) - STEERING
home
13
14
19
17
17
5
5
10
14
23
2
20
xx.xxx.xx
xx.xxx.xx
8
24
6
16
25
22
11
27
22
5
4
10
12
28
7
23
1
29
5
21
18
14
14
9
5
26
23
21
3
15
FIT
1:1
100%

Артикул

Название

Примечание

Количество

1

87629375

HYDRAULIC PUMP

Main, Serial Range: -NCF215208

1шт.

1

84303025

HYDRAULIC PUMP

Main, Start Serial: NCF215209

1шт.

2

238-6219

O-RING,0.139" Thk x 1.296" ID, -219, Cl 6, 90 Duro

1шт.

3

700-100

HYD CONNECTOR,9/16" - 18 Male ORFS x M12 x 1.5 Male ORB

Incl. Ref. 5, 10

1шт.

4

701-421

TEE,9/16" - 18 Male ORFS x 9/16" - 18 Male ORFS x 9/16" - 18 Female ORFS

Incl. Ref. 4

1шт.

5

238-6011

O-RING,0.07" Thk x 0.301" ID, -11, Cl 6, 90 Duro

4шт.

6

627-12040

BOLT,Hex, M12 x 1.75 x 40mm, Cl 10.9, Full Thd

4шт.

7

892-11012

LOCK WASHER,M12

4шт.

8

896-11012

WASHER,13.5mm ID x 24mm OD x 3mm Thk

4шт.

9

700-303

ELBOW,90 Degree Elbow, 9/16" - 18 Male ORFS x M12 x 1.5 Male ORB

Incl. Ref. 5, 10

1шт.

10

637-63093

O-RING,2.2mm Thk x 9.3mm ID, Cl 6, 90 Duro

1шт.

11

87634219

HYD TUBE,0.25" OD

Front Pump, Left Side; Plated

1шт.

12

87367945

HYD TUBE,6.35 mm OD x 300 mm L

Rear Pump, Left Side; Plated

1шт.

13

700-378

ELBOW,90 Degree Elbow, 9/16" - 18 Male ORFS x M14 x 1.5 Male ORB

Incl. Ref. 5, 14

1шт.

14

637-63113

O-RING,2.2mm Thk x 11.3mm ID, Cl 6

2шт.

15

700-153

HYD CONNECTOR,9/16" - 18 Male ORFS x M14 x 1.5 Male ORB

Incl. Ref. 5, 14

1шт.

16

700-101

HYD CONNECTOR,11/16" - 16 Male ORFS x M14 x 1.5 Male ORB

Incl. Ref. 14, 17

1шт.

17

238-6012

O-RING,0.07" Thk x 0.364" ID, -12, Cl 6, 90 Duro

1шт.

18

8602648

HYDRAULIC HOSE,50.80 mm ID x 645.00 mm, SAE 100R4 Class 4 Type 2

Large Pump Suction

4шт.

19

87368422

HOSE ASSY.

Articulation Load Sense

1шт.

20

700-315

ELBOW,45 Degree Elbow, 11/16" - 16 Male ORFS x M14 x 1.5 Male ORB

Incl. Ref. 14, 17

1шт.

21

700-133

HYD CONNECTOR,1-11/16" - 12 Male ORFS x M42 x 2 Male ORB

Incl. Ref. 22, 23

2шт.

22

637-64386

O-RING,2.9mm Thk x 38.6mm ID, Cl 6, 90 Duro

2шт.

23

238-6025

O-RING,0.07" Thk x 1.176" ID, -25, Cl 6, 90 Duro

3шт.

24

84140823

TUBE,32 mm OD

Vavle Supply; Plated

1шт.

25

87452747

CLAMP,33.4mm ID

Tube Mounting

1шт.

26

87368421

HOSE ASSY.

Articulation Pressure

1шт.

27

87539260

VALVE

Steering Priority

1шт.

28

895-11010

WASHER,11mm ID x 20mm OD x 2mm Thk

4шт.

29

827-10140

BOLT,Hex, M10 x 1.5 x 140mm, Cl 10.9

4шт.

Выбрано товаров: 30