Запчасти Case 721F (55.301.02) - BATTERY CABLE (55) - ELECTRICAL SYSTEMS

Схема запчастей Case 721F - (55.301.02) - BATTERY CABLE (55) - ELECTRICAL SYSTEMS
15
55.201.01
19
39.100.03
16
14
20
6
15
17
21
14
14
5
3
10
15
18
13
4
8
9
1
11
12
2
home
7
9
FIT
1:1
100%

Артикул

Название

Примечание

Количество

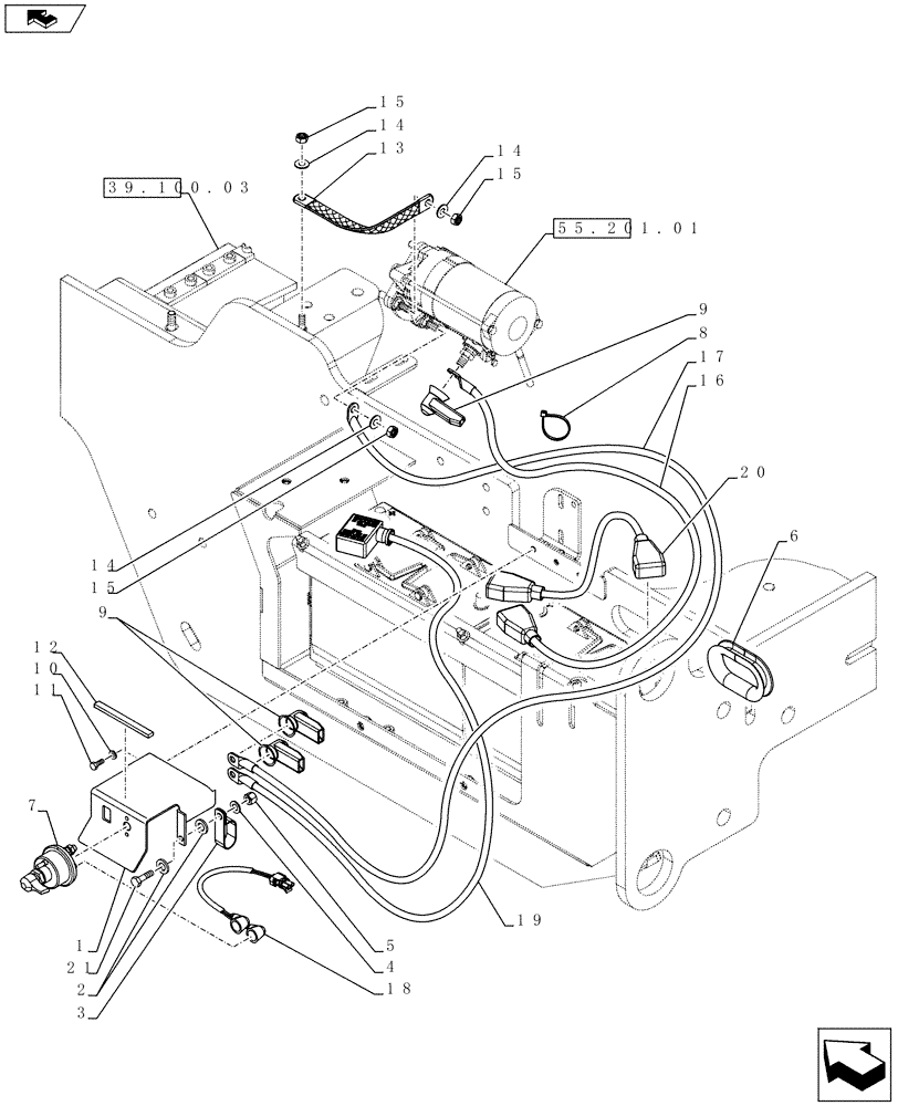
1

84321318

BRACKET, SUPPORTING

Hood Switch

1шт.

2

896-11012

WASHER,13.5mm ID x 24mm OD x 3mm Thk

2шт.

3

R54363

CLAMP

Double

2шт.

4

895-11010

WASHER,11mm ID x 20mm OD x 2mm Thk

2шт.

5

832-10410

NUT,M10 x 1.5, Cl 8

2шт.

6

398771A1

CONDUIT

Battery Cables

1шт.

7

L126256

SWITCH

Master Disconnect

1шт.

8

L11541

CABLE TIE,203.2mm L, Nylon

CABLE STRAP Black 7-8 Inch Nylon

1шт.

9

L126713

BOOT

Electrical

3шт.

10

895-25006

WASHER,6.6mm ID x 18mm OD x 1.6mm Thk

3шт.

11

627-6020

BOLT,Hex, M6 x 1 x 20mm, Cl 10.9, Full Thd

3шт.

12

87591165

SEAL

Switch

1шт.

13

84269958

GROUND STRAP

1шт.

14

L127554

WASHER,0.395" ID x 0.875" OD x 0.064" Thk

3шт.

15

253347A1

NUT,Hex, M10 x 1.5

Brass

3шт.

16

84298271

GROUND CABLE

1шт.

17

84374046

POS BATTERY CABLE

To Starter

1шт.

18

L127676

WIRE HARNESS

Disconnect

1шт.

19

84374047

NEG BATTERY CABLE

To Disconnect

1шт.

20

84374045

POS BATTERY CABLE

Battery Crossover

1шт.

21

614-10030

BOLT,Hex, M10 x 1.5 x 30mm, Cl 8.8, Full Thd

1шт.

Выбрано товаров: 21