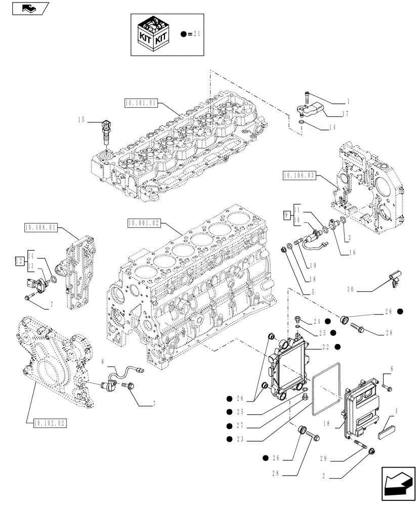
Запчасти Case 721F (55.640.01) - ELECTRONIC INJECTION (504092213) (55) - ELECTRICAL SYSTEMS

Схема запчастей Case 721F - (55.640.01) - ELECTRONIC INJECTION (504092213) (55) - ELECTRICAL SYSTEMS
11
14
12
7
26
13
21
4
23
28
7
21
26
28
21
21
21
14
10
29
16
18
27
25
10.101.01
15
10.102.02
21
24
21
26
home
10.408.01
21
5
21
1
17
22
30
2
21
10.106.03
19
3
25
10.001.02
18
21
8
6
9
FIT
1:1
100%

Артикул

Название

Примечание

Количество

1

4899124

WASHER

M6 x 1 x 20MM

2шт.

3

14453881

O-RING,23.52mm ID x 1.78" Width

DIA=23.5MM SP=1.7MM

1шт.

4

4899078

SCREW,Hex Flg, M8 x 1.25 x 45

M23.5 x 1.7

3шт.

5

15896221

NUT,Hex, M6, 5.20mm High, Cl 10

M6 x 1

1шт.

6

16586024

SCREW,M8 x 30mm

M6 x 30MM

8шт.

7

4899110

SCREW,Hex Flg, M6 x 1 x 20

M6 x 20MM

3шт.

8

4890189

SENSOR

SPEED

1шт.

9

4890190

SENSOR

SPEED

1шт.

10

2852820

O-RING,0.07" Thk x 0.676" ID, 17, Cl 7, 75 Duro

DIA=17.17 MM SP=1.78MM

1шт.

11

4890193

SENSOR

OIL PRESS. & TEMP

1шт.

12

4895477

O-RING,2.62mm Thk x 13.94mm ID

DIAM=13.94MM SP=2.62

1шт.

13

4897224

SENSOR

TEMPERATURE

1шт.

14

4892255

HOUSING

Temperature

1шт.

15

504073323

SENSOR

SENSOR, AIR PRESSURE & TEMP., 4 WIRE

1шт.

16

2854593

STUD

M6 x 25MM

1шт.

17

4895157

STUD

1шт.

18

2854594

ECU

1шт.

18

2854594R

REMAN-MODULE

1шт.

18

2854594C

CORE-MODULE

Return Number

1шт.

19

504093661

BRACKET

M12 x 1.5

1шт.

20

4896811

GASKET

1шт.

21

4896542

HYD CONNECTOR,M12 x 1.5 ORB x 6 ORFS

M12 x 1.5

1шт.

22

93156604

GASKET

REAR

2шт.

23

98498817

ISOLATOR

3шт.

24

4890964

FITTING,M12 x 1.5

M12 x 1.5

1шт.

25

4899057

FLANGE NUT,M6

M8 x 1.25 X 25

1шт.

26

16689324

SCREW,M6 x 25mm

M6 x 25

3шт.

27

4897685

SUPPORT

1шт.

29

4895817

BOLT,Flng, M6 x 1 x 20mm, Cl 10.9

M6 x 20MM

1шт.

30

42546555

O-RING

1шт.

31

4897302

CABLE CLIP,5.5mm ID

2шт.

32

504356683

PIPE COUPLING

1шт.

33

17278781

O-RING

DIA=21.95MM SP=1.78MM

1шт.

34

2996409

EDC

1шт.

Выбрано товаров: 34