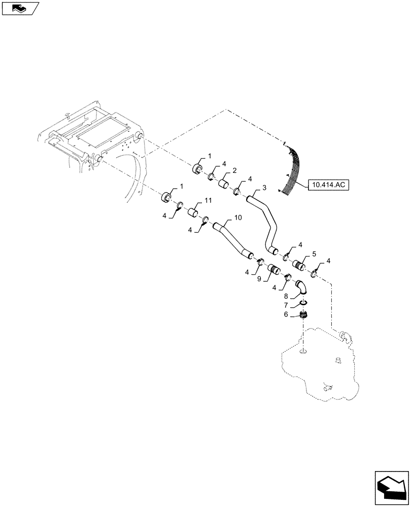
Запчасти Case 721F (10.408.04[02]) - ENGINE COOLING LINES (10) - ENGINE

Схема запчастей Case 721F - (10.408.04[02]) - ENGINE COOLING LINES (10) - ENGINE
3
5
4
4
6
10.414.ac
4
11
4
8
1
1
9
4
4
10
home
4
4
2
7
FIT
1:1
100%

Артикул

Название

Примечание

Количество

1

76088563

SEAL

Charge Air Tubes

2шт.

2

87572375

HOSE,76.2mm ID x 89mm L

Air Intake

1шт.

3

84260045

AIR INTAKE TUBE

Charge

1шт.

4

L115549

CLAMP,69.85mm - 92.08mm

Constant Torque

8шт.

5

87340284

INTAKE AIR HOSE,76.20mm ID x 129mm L

Charge Air

1шт.

6

J069053

CLAMP,66.54mm ID

Turbo Outlet V-Band

1шт.

7

J883284

O-RING,0.07" Thk x 2.364" ID, -36

Seal Turbo Outlet

1шт.

8

J918685

PIPE

Turbo Outlet Air Transfer

1шт.

9

87340284

INTAKE AIR HOSE,76.20mm ID x 129mm L

Charge Air

1шт.

10

84178598

TUBE

Charge Air Turbo

1шт.

11

87572375

HOSE,76.2mm ID x 89mm L

Air Intake

1шт.

Выбрано товаров: 11