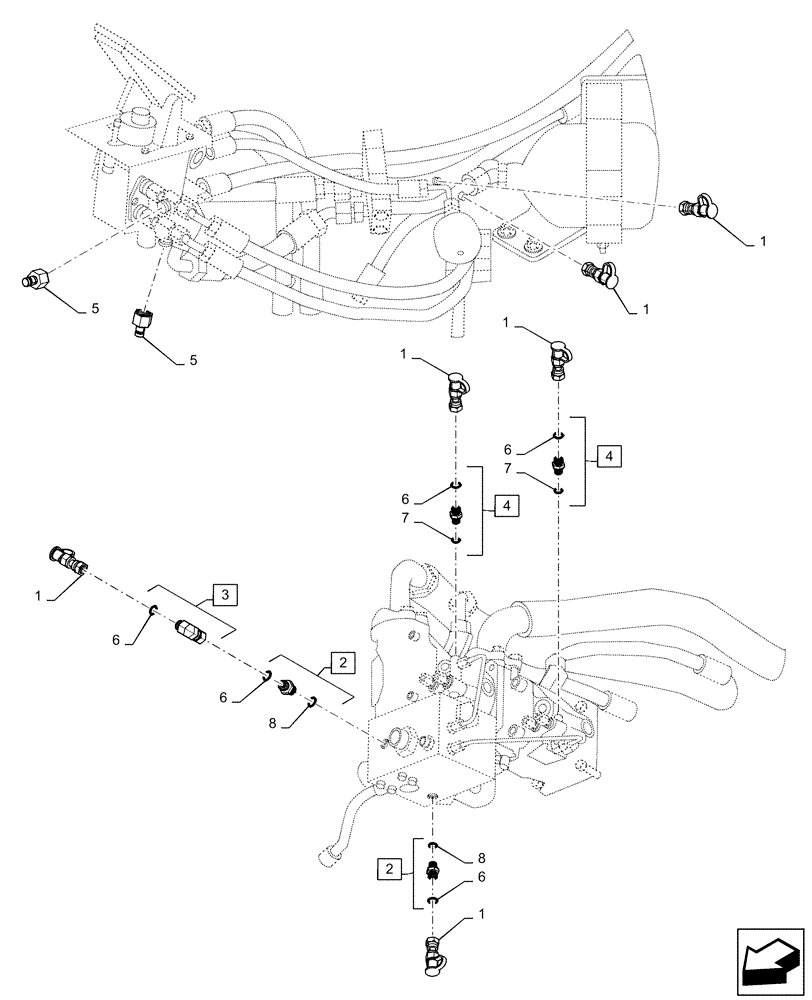
Запчасти Case 721F (35.310.AP) - HYDRAULICS COUPLER SYSTEM, DIAGNOSTIC LINES (35) - HYDRAULIC SYSTEMS

Схема запчастей Case 721F - (35.310.AP) - HYDRAULICS COUPLER SYSTEM, DIAGNOSTIC LINES (35) - HYDRAULIC SYSTEMS
4
5
8
1
2
1
7
8
6
1
3
2
6
1
4
6
1
5
6
7
6
1
FIT
1:1
100%

Артикул

Название

Примечание

Количество

1

190117A1

COUPLING

Diagnostic

6шт.

2

700-153

HYD CONNECTOR,9/16" - 18 Male ORFS x M14 x 1.5 Male ORB

Incl 6, 8

2шт.

3

701-329

ELBOW,90 Degree Elbow, 9/16" - 18 Male ORFS x 9/16" - 18 Female ORFS

Incl 6

1шт.

4

700-100

HYD CONNECTOR,9/16" - 18 Male ORFS x M12 x 1.5 Male ORB

Incl 6 - 7

2шт.

5

190316A1

COUPLING

Diagnostic

2шт.

6

238-6011

O-RING,0.07" Thk x 0.301" ID, -11, Cl 6, 90 Duro

Face Seal

5шт.

7

637-63093

O-RING,2.2mm Thk x 9.3mm ID, Cl 6, 90 Duro

Boss Seal

2шт.

8

637-63113

O-RING,2.2mm Thk x 11.3mm ID, Cl 6

Boss Seal

2шт.

Выбрано товаров: 8