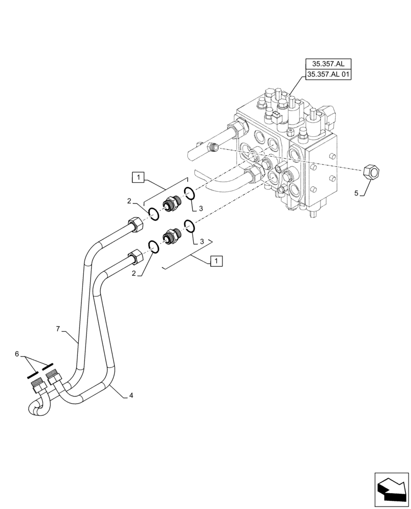
Запчасти Case 721F (35.723.AB[01]) - NON-RIDE CONTROL VALVE INSTALLATION XT (35) - HYDRAULIC SYSTEMS

Схема запчастей Case 721F - (35.723.AB[01]) - NON-RIDE CONTROL VALVE INSTALLATION XT (35) - HYDRAULIC SYSTEMS
4
35.357.al
6
3
3
2
7
5
35.357.al 01
1
1
2
FIT
1:1
100%

Артикул

Название

Примечание

Количество

1

700-105

HYD CONNECTOR,1-7/16" - 12 Male ORFS x M33 x 2 Male ORB

Incl 2, 3

2шт.

2

637-64296

O-RING,2.9mm Thk x 29.6mm ID, Cl 6, 90 Duro

2шт.

3

9824050

O-RING,0.07" Thk x 0.926" ID, -21, Cl 6, 90 Duro

2шт.

4

87440463

HYD TUBE,25 mm OD

Lift Base Right Plated; XT

1шт.

5

9847690

CAP,1-7/16" - 12 ORFS

1шт.

6

238-6021

O-RING,15/16 X 1 - 1/16, Cl 6

2шт.

7

87439733

HYD TUBE

Lower Right Plated; XT

1шт.

Выбрано товаров: 7