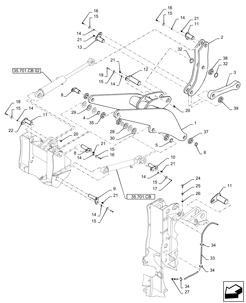
Запчасти Case 721F (39.100.AY[02]) - FRAME - LOADER LIFT (XR) (39) - FRAMES AND BALLASTING

Схема запчастей Case 721F - (39.100.AY[02]) - FRAME - LOADER LIFT (XR) (39) - FRAMES AND BALLASTING
35.701.cb
29
21
21
8
26
8
12
10
1
34
14
15
9
21
5
17
16
15
14
20
27
3
28
15
34
37
15
33
16
2
15
15
14
14
35
32
14
25
21
21
38
39
4
20
32
15
18
11
30
11
19
14
14
11
22
16
6
34
21
24
13
35.701.cb 02
FIT
1:1
100%

Артикул

Название

Примечание

Количество

1

84284966

LIFT ARM

Arm, Lift, XR, Incl 35 - 37

1шт.

2

84249218

BELLCRANK

Bellcrank, Incl 38

1шт.

3

434975A1

LINK

Dump, Incl 39

1шт.

4

D95148

WIPER SEAL

76.2 mm ID

4шт.

5

D95147

WIPER SEAL,69.8mm ID x 82.58mm OD x 7.92mm Thk

69.8 mm ID

4шт.

6

365523A1

WIPER SEAL

82.5 mm ID

4шт.

7

S92653

WIPER

88.9 mm ID

4шт.

8

87428060

PIN,76.2mm OD x 290.5mm L

Lift Arm

2шт.

9

87428064

PIN,69.85mm OD x 290.5mm L

Lift Arm

2шт.

10

87428068

PIN,69.85mm OD x 230mm L

Lift Arm

2шт.

11

87376192

PIVOT PIN,82.5mm OD x 202mm L

Dump Link

2шт.

12

87428072

PIN,101.6mm OD x 336mm L

Bellcrank

1шт.

13

87426761

PIN

Dump Link

1шт.

14

L125100

SPACER,17.48mm ID x 31.75mm OD x 14.3mm Thk

Plated

10шт.

15

496-81025

WASHER,21/32" x 2 1/2" x .188", HDN

10шт.

16

627-16050

BOLT,Hex, M16 x 2 x 50mm, Cl 10.9, Full Thd

6шт.

17

627-16040

BOLT,Hex, M16 x 2 x 40mm, Cl 10.9, Full Thd

2шт.

18

827-16090

BOLT,Hex, M16 x 2 x 90mm, Cl 10.9

1шт.

19

827-16080

BOLT,Hex, M16 x 2 x 80mm, Cl 10.9

1шт.

20

832-10416

NUT,M16 x 2, Cl 8

2шт.

21

219-1

LUBE NIPPLE,1/8" - 27 NPTF

9шт.

22

328082A1

ELBOW

90 Deg.

1шт.

23

896-15012

WASHER,13.5mm ID x 28mm OD x 4mm Thk

1шт.

24

515-2495

CLAMP,3/8", Insul, 7/16" Bolt

1шт.

25

895-11010

WASHER,11mm ID x 20mm OD x 2mm Thk

1шт.

26

832-10410

NUT,M10 x 1.5, Cl 8

1шт.

27

F53473

LOCK NUT,1/8-27 NPSM

1/8" NPSM

1шт.

28

375518A1

WASHER,77.6mm ID x 155mm OD x 3.5mm Thk

77.6 ID, 3.5 thk.

1шт.

29

L127108

WASHER,77.5mm ID x 152mm OD x 2.5mm Thk

77.6 ID, 2.5 thk.

1шт.

30

441822A1

WASHER

77.6 ID, 1.6 thk.

1шт.

31

442157A1

WASHER

2шт.

32

S108245

WIPER SEAL

Rod, 101.6 mm ID

2шт.

33

318012A1

FLEXIBLE HOSE

Grease, 1785 mm (70 - 1/4 in)

1шт.

34

L11541

CABLE TIE,203.2mm L, Nylon

3шт.

35

87613430

BUSHING,76.52mm ID x 89.99mm OD x 79mm L

Dump Link

2шт.

36

87613444

BUSHING,70.16mm ID x 82.66mm OD x 78mm L

Lift Arm

2шт.

37

87613433

BUSHING,82.86mm ID x 98.53mm OD x 79mm L

Lift Arm

2шт.

38

87613436

BUSHING,101.91mm ID x 117.58mm OD x 84.8mm L

Bellcrank Pivot

2шт.

39

87613434

BUSHING,89.22mm ID x 104.88mm OD x 79mm L

Dump Link

2шт.

Выбрано товаров: 39