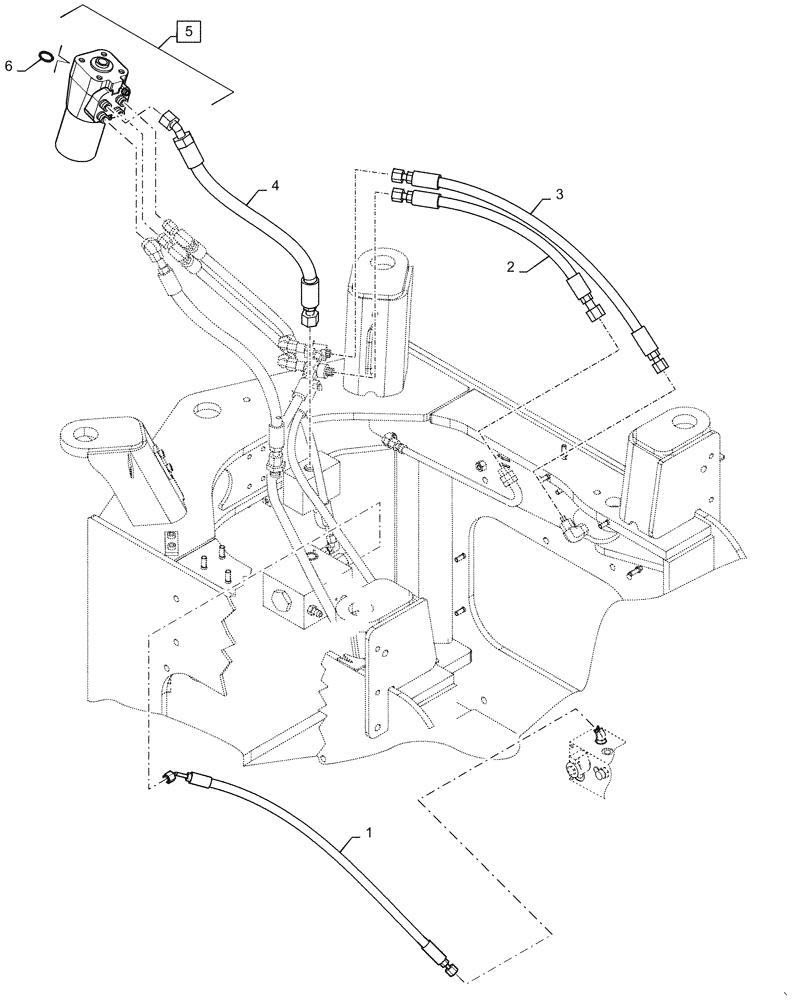
Запчасти Case 721F (41.200.AO[03]) - AUXILIARY STEERING NO JOYSTICK, ORBITROL VALVE (41) - STEERING

Схема запчастей Case 721F - (41.200.AO[03]) - AUXILIARY STEERING NO JOYSTICK, ORBITROL VALVE (41) - STEERING
3
6
2
5
4
1
FIT
1:1
100%

Артикул

Название

Примечание

Количество

1

87373694

HOSE ASSY.

Load Sense

1шт.

2

8602590

FLEXIBLE HOSE

RH Side Rod

1шт.

3

87519795

HOSE ASSY.

Steering Cylinder

1шт.

4

87519793

HOSE ASSY.

Steering Return

1шт.

5

87371383

VALVE

Orbitrol, Incl 6

1шт.

6

87534058

SEAL KIT

Valve Assembly

1шт.

Выбрано товаров: 6