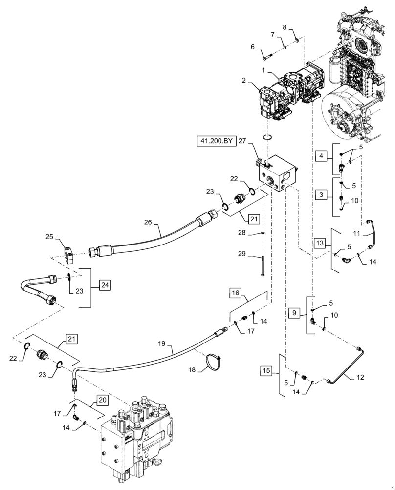
Запчасти Case 721F (41.206.AJ) - PRIORITY PUMP INSTALLATION (41) - STEERING

Схема запчастей Case 721F - (41.206.AJ) - PRIORITY PUMP INSTALLATION (41) - STEERING
7
14
27
19
14
25
15
17
5
5
5
2
5
11
16
29
8
21
17
22
6
5
10
18
28
3
12
23
41.200.by
26
10
9
24
13
20
21
14
23
4
1
22
23
14
FIT
1:1
100%

Артикул

Название

Примечание

Количество

1

84306044

HYDRAULIC PUMP,63 CC

Front Section, Dual Implement , Serial Range: -NEF232063

1шт.

1

47777724

HYDRAULIC PUMP

Main Hydraulic Pump, Front, Start Serial: NEF232064

1шт.

1

8602863

O-RING,3mm Thk x 104mm ID

O-Ring Between the Front and Rear Pump

1шт.

2

84306045

HYDRAULIC PUMP,45 CC

Rear Section, Dual Implement, Serial Range: -NEF232063

1шт.

2

47777725

HYDRAULIC PUMP

Main Hydraulic Pump, Rear, Start Serial: NEF232064

1шт.

3

700-100

HYD CONNECTOR,9/16" - 18 Male ORFS x M12 x 1.5 Male ORB

Incl 5, 10

1шт.

4

701-421

TEE,9/16" - 18 Male ORFS x 9/16" - 18 Male ORFS x 9/16" - 18 Female ORFS

Incl 5

1шт.

5

238-6011

O-RING,0.07" Thk x 0.301" ID, -11, Cl 6, 90 Duro

5шт.

6

627-12040

BOLT,Hex, M12 x 1.75 x 40mm, Cl 10.9, Full Thd

4шт.

7

892-11012

LOCK WASHER,M12

4шт.

8

896-11012

WASHER,13.5mm ID x 24mm OD x 3mm Thk

4шт.

9

700-303

ELBOW,90 Degree Elbow, 9/16" - 18 Male ORFS x M12 x 1.5 Male ORB

Incl 5, 10

1шт.

10

637-63093

O-RING,2.2mm Thk x 9.3mm ID, Cl 6, 90 Duro

2шт.

11

87634219

HYD TUBE,0.25" OD

Front Pump, Left Side; Plated

1шт.

12

87367945

HYD TUBE,6.35 mm OD x 300 mm L

Rear Pump, Left Side; Plated

1шт.

13

700-378

ELBOW,90 Degree Elbow, 9/16" - 18 Male ORFS x M14 x 1.5 Male ORB

Incl 5, 14

1шт.

14

637-63113

O-RING,2.2mm Thk x 11.3mm ID, Cl 6

4шт.

15

700-153

HYD CONNECTOR,9/16" - 18 Male ORFS x M14 x 1.5 Male ORB

Incl 5, 14

1шт.

16

700-101

HYD CONNECTOR,11/16" - 16 Male ORFS x M14 x 1.5 Male ORB

Incl 14, 17

1шт.

17

238-6012

O-RING,0.07" Thk x 0.364" ID, -12, Cl 6, 90 Duro

2шт.

18

84266050

CABLE TIE,384mm L, Polyamide

4шт.

19

87368422

HOSE ASSY.

Articulation Load Sense, Serial Range: -NFF235000

1шт.

19

47829664

HOSE

Articulation Load Sense, Start Serial: NFF235001

1шт.

20

700-315

ELBOW,45 Degree Elbow, 11/16" - 16 Male ORFS x M14 x 1.5 Male ORB

Incl 14, 17

1шт.

21

700-133

HYD CONNECTOR,1-11/16" - 12 Male ORFS x M42 x 2 Male ORB

Incl 22, 23

2шт.

22

637-64386

O-RING,2.9mm Thk x 38.6mm ID, Cl 6, 90 Duro

2шт.

23

238-6025

O-RING,0.07" Thk x 1.176" ID, -25, Cl 6, 90 Duro

3шт.

24

84140823

TUBE,32 mm OD

Vavle Supply; Plated

1шт.

25

87452747

CLAMP,33.4mm ID

Tube Mounting

1шт.

26

84582819

HOSE ASSY.,31.75mm ID x 864mm L

Articulation Pressure, Serial Range: -NFF235000

1шт.

26

47821981

HOSE

Articulation Pressure, Start Serial: NFF235001

1шт.

27

87539260

VALVE

Steering Priority

1шт.

28

895-11010

WASHER,11mm ID x 20mm OD x 2mm Thk

4шт.

29

827-10140

BOLT,Hex, M10 x 1.5 x 140mm, Cl 10.9

4шт.

Выбрано товаров: 34