Качественные детали и логистика
Оригинальные и аналоговые запчасти с доставкой по России, Казахстану и Беларуси
©2022 PartSell ООО "Система" ИНН 2463123282 ОГРН 1212400004838
Центральный офис: г. Красноярск, Академика Киренского, д.87, пом.4
Телефон: 8 (800) 777-65-74 Email: zakaz@partsell.ru
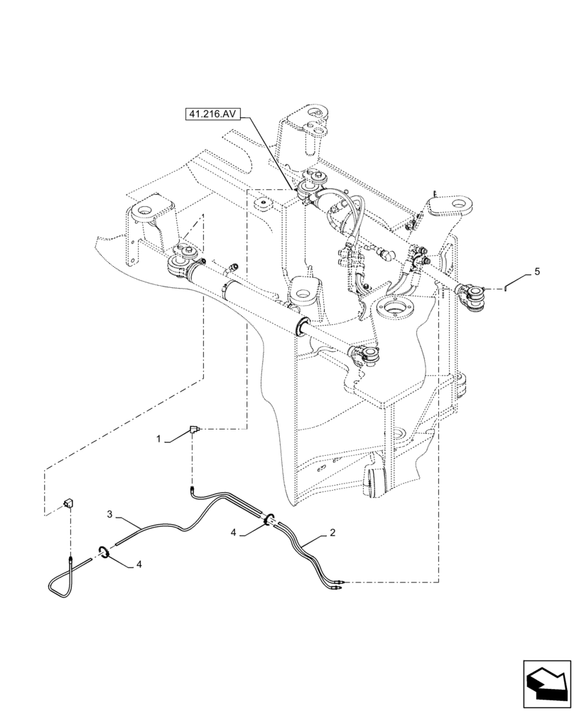
(41.216.AV[01]) - STEERING CYLINDER INSTALLATION
№
Артикул
Название
Примечание
Количество
1
328082A1
ELBOW
90 Deg
2шт.
2
L54694
HOSE,4.8mm ID x 1041mm L
Grease Rear, 1041mm Lg
1шт.
3
87559562
HOSE
Rear Steering Grease, 2324mm Lg
318013A1
FLEXIBLE HOSE,4.8mm ID x 2723mm L
Rear Trunnion Grease, 2723mm Lg
4
L11541
CABLE TIE,203.2mm L, Nylon
Strap
7шт.
5
F53473
LOCK NUT,1/8-27 NPSM
Выбрано товаров: 0