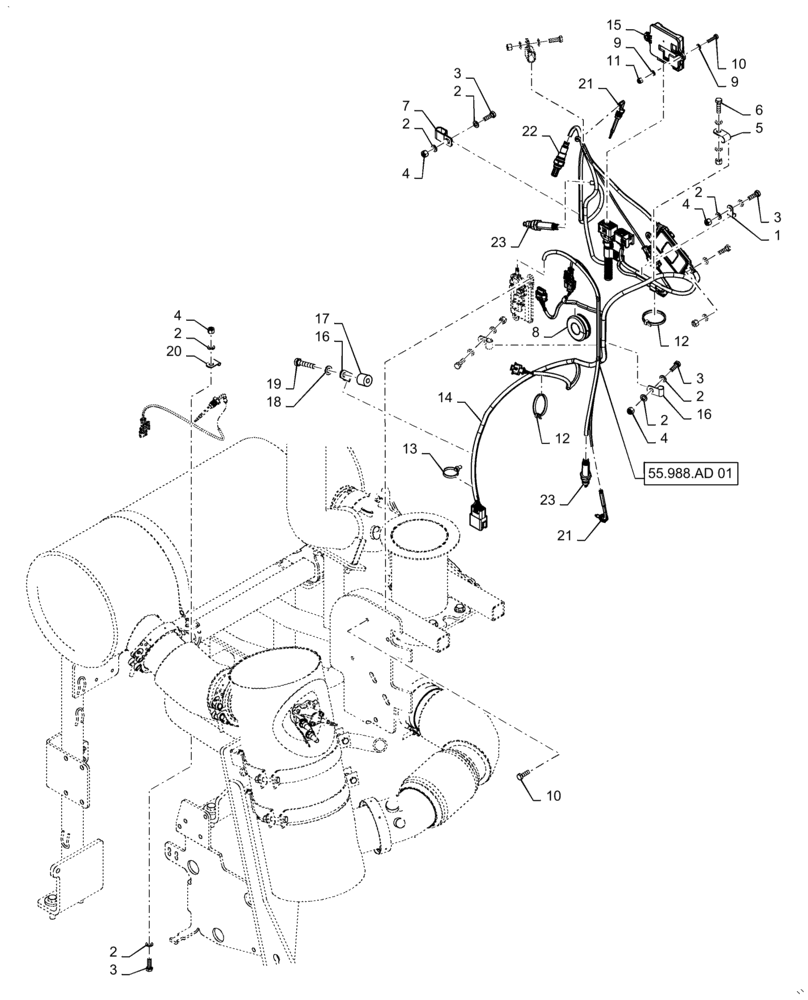
Запчасти Case 721F (55.988.AD) - HARNESS, SCR SENSORS (55) - ELECTRICAL SYSTEMS

Схема запчастей Case 721F - (55.988.AD) - HARNESS, SCR SENSORS (55) - ELECTRICAL SYSTEMS
2
4
10
9
2
20
21
16
11
23
4
4
4
8
18
2
10
19
1
2
22
55.988.ad 01
12
7
3
16
9
21
17
2
6
15
3
3
5
23
12
2
3
14
13
2
FIT
1:1
100%

Артикул

Название

Примечание

Количество

1

515-2295

CLAMP,3/8", Insul, 5/16" Bolt

1шт.

2

895-11008

WASHER,9mm ID x 16mm OD x 1.6mm Thk

23шт.

3

627-8025

BOLT,Hex, M8 x 1.25 x 25mm, Cl 10.9, Full Thd

12шт.

4

832-10408

NUT,M8 x 1.25, Cl 8.8

10шт.

5

515-23143

CLAMP,9/16", Insul, 3/8" Bolt

1шт.

6

627-8030

BOLT,Hex, M8 x 1.25 x 30mm, Cl 10.9, Full Thd

1шт.

7

L19029

CLAMP

NH3 Support

2шт.

8

84327027

GROMMET

Rubber

1шт.

9

895-11006

WASHER,6.6mm ID x 12mm OD x 1.6mm Thk

4шт.

10

627-6025

BOLT,Hex, M6 x 1 x 25mm, Cl 10.9, Full Thd

2шт.

11

832-10406

NUT,M6 x 1, Cl 8

2шт.

12

L11541

CABLE TIE,203.2mm L, Nylon

6шт.

13

87668737

CABLE TIE,203.2mm L, Nylon, Black

FIR Tree Assembly

1шт.

14

47491393

WIRE HARNESS

SCR

1шт.

15

47368959

ECU

NH3 System Controler

1шт.

16

515-23127

CLAMP,1/2", Insul, 3/8" Bolt

1шт.

17

8500877

SPACER,12.8mm ID x 25.4mm OD x 23mm L

4шт.

18

895-11010

WASHER,11mm ID x 20mm OD x 2mm Thk

1шт.

19

827-10050

BOLT,Hex, M10 x 1.5 x 50mm, Cl 10.9

1шт.

20

515-2363

CLAMP,M6.3, Insul, 3/8" Bolt

1шт.

21

47478880

TEMPERATURE SENDER,50mm, Closed

Sensor Assembly

1шт.

22

47520140

SENSOR,8 Pin

NH3

3шт.

23

84498212

SENSOR

NOX system

1шт.

Выбрано товаров: 23