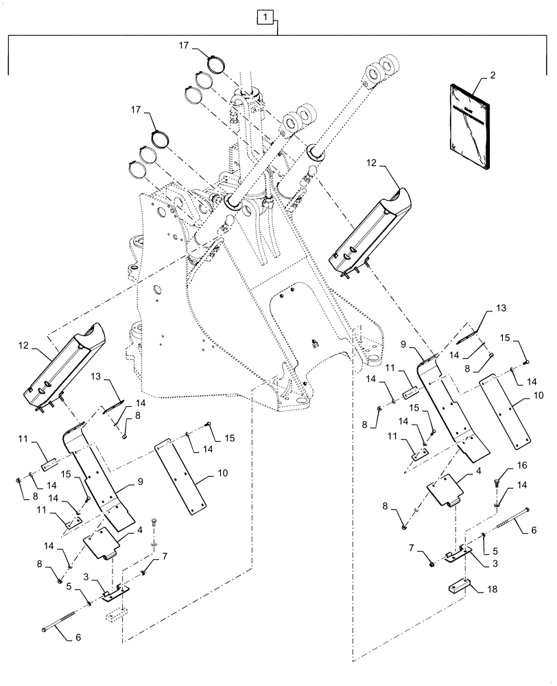
Запчасти Case 721F (88.100.90[05]) - DIA KIT, CYLINDER GUARDS AND EJECTORS (88) - ACCESSORIES

Схема запчастей Case 721F - (88.100.90[05]) - DIA KIT, CYLINDER GUARDS AND EJECTORS (88) - ACCESSORIES
11
4
14
16
8
5
12
6
13
15
14
1
8
14
17
4
3
14
14
8
11
18
14
15
15
11
10
8
14
3
17
9
12
2
8
7
13
5
9
14
14
14
11
10
6
15
8
7
FIT
1:1
100%

Артикул

Название

Примечание

Количество

1

47661226

KIT

DIA Kit, Cylinder Guards and Ejectors, Incl 2 - 18

1шт.

2

47661227

INSTRUCTION

1шт.

3

47494930

HINGE

Mount

2шт.

4

47488881

HINGE

Ejector

2шт.

5

9618968

WASHER,0.41" ID x 0.78" OD x 0.1" Thk

2шт.

6

280284

BOLT,Hex, 3/8" - 16 x 7", Gr 5

2шт.

7

86521606

FLANGE NUT,Hex, 3/8" - 16, Gr 5

2шт.

8

832-10410

NUT,M10 x 1.5, Cl 8

22шт.

9

47508291

SHEET,225mm W x 1095mm L

Rubber Flap

2шт.

10

47407549

PLATE

Support

2шт.

11

47407553

PLATE

Flap Support

8шт.

12

47382602

GUARD

Cylinder, V-Shape

2шт.

13

47407526

PLATE

Ejector Fastener

2шт.

14

895-15010

WASHER,11mm ID x 24mm OD x 2mm Thk

44шт.

15

627-10035

BOLT,Hex, M10 x 1.5 x 35mm, Cl 10.9, Full Thd

16шт.

16

9846677

BOLT,M10 x 1.5 x 25mm, Cl 10.9

4шт.

17

214-21160

CLAMP,#160, 5.87"-6.18", T-Bolt

6шт.

18

47400149

MOUNT

Ejector Frame

2шт.

Выбрано товаров: 18