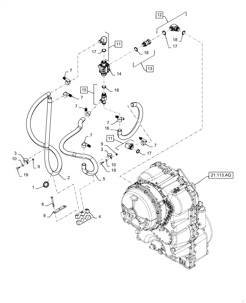
Запчасти Case 721F (21.105.AQ) - TRANSMISSION HYDRAULIC LINES (21) - TRANSMISSION

Схема запчастей Case 721F - (21.105.AQ) - TRANSMISSION HYDRAULIC LINES (21) - TRANSMISSION
11
4
14
17
1
12
17
9
17
7
21.113.aq
10
8
15
10
18
5
2
19
7
7
16
7
11
18
9
7
7
19
18
13
3
3
6
FIT
1:1
100%

Артикул

Название

Примечание

Количество

1

248-1185

GROMMET,1 1/2" ID x 1 3/4" Groove Dia

Rubber

2шт.

2

84195582

HOSE,25.4mm ID x 2100mm L

Valve to Cooler

1шт.

3

515-23381

CLAMP,1 1/2", Insul, 3/8" Bolt

2шт.

4

8500576

CLAMP

Block, Double

1шт.

5

8500583

PLATE

Clamp Cover, Plated

1шт.

6

84195583

HOSE

Cooler to Valve, 1350mm Lg

1шт.

7

87482165

HOSE CLAMP,1" - 1.75", Worm Gear

6шт.

8

827-10090

BOLT,Hex, M10 x 1.5 x 90mm, Cl 10.9

3шт.

9

832-10408

NUT,M8 x 1.25, Cl 8.8

2шт.

10

895-11008

WASHER,9mm ID x 16mm OD x 1.6mm Thk

2шт.

11

87393628

ADAPTER,1" Hose Barb x 1-5/16" - 12 ORB

Incl 17

2шт.

12

201-308

ELBOW,90 Degree Elbow, 1-7/16" - 12 Male ORFS x 1-5/16" - 12 Male ORB

Incl 17, 18

1шт.

13

87672177

HYD CONNECTOR

-16 SAE Str Thrd ORFS Swvl, Incl 18

1шт.

14

84138750

VALVE

Transmission, Thermal Bypass

1шт.

15

235067A1

TEE

Adj. Run x 1 Hose Barb, Incl 18

1шт.

16

84195584

HOSE

Valve to Transmission, 650mm Lg

1шт.

17

237-6016

O-RING,0.116" Thk x 1.171" ID, -916, Cl 6, 90 Duro

3шт.

18

238-6021

O-RING,15/16 X 1 - 1/16, Cl 6

2шт.

19

627-8035

BOLT,Hex, M8 x 1.25 x 35mm, Cl 10.9, Full Thd

2шт.

Выбрано товаров: 19