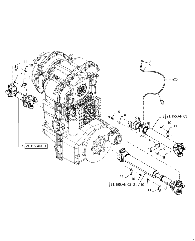
Запчасти Case 721F (21.113.AT[01]) - DRIVE SHAFT INSTALLATION (21) - TRANSMISSION

Схема запчастей Case 721F - (21.113.AT[01]) - DRIVE SHAFT INSTALLATION (21) - TRANSMISSION
6
21.155.an 03
9
11
11
5
10
10
6
3
1
11
8
21.155.an 02
11
2
4
10
11
10
7
21.155.an 01
10
FIT
1:1
100%

Артикул

Название

Примечание

Количество

1

84551140

DRIVE SHAFT

Rear, Standard

1шт.

1

84252886

DRIVE SHAFT

Rear, Heavy Duty

1шт.

2

84234394

DRIVE SHAFT

Center

1шт.

3

84234394

DRIVE SHAFT

Front

1шт.

4

87567190

PLATE

Carrier Bearing

1шт.

5

827-12060

BOLT,Hex, M12 x 1.75 x 60mm, Cl 10.9

4шт.

6

896-11012

WASHER,13.5mm ID x 24mm OD x 3mm Thk

8шт.

7

832-10412

NUT,M12 x 1.75, Cl 8

4шт.

8

F53473

LOCK NUT,1/8-27 NPSM

1шт.

9

L54694

HOSE,4.8mm ID x 1041mm L

Grease

1шт.

10

19-6247

BOLT,3/8" - 24 x 0.75", Grade 8

20шт.

11

87439403

STRAP

Bearing

10шт.

Выбрано товаров: 12