Запчасти Case 721F (21.113.AT) - INPUT SHAFT INSTALLATION (21) - TRANSMISSION

Схема запчастей Case 721F - (21.113.AT) - INPUT SHAFT INSTALLATION (21) - TRANSMISSION
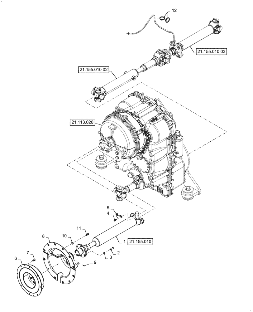
21.155.010
12
9
10
4
2
8
6
7
1
3
5
11
21.155.010 03
21.155.010 02
21.113.020
FIT
1:1
100%

Артикул

Название

Примечание

Количество

1

87371646

DRIVE SHAFT

4-Speed

1шт.

1

84227497

DRIVE SHAFT

5-Speed

1шт.

2

84349423

LOCK BOLT,Hex, M10 x 35mm, Cl 10.9

6шт.

3

896-11010

WASHER,11mm ID x 21mm OD x 2.5mm Thk

6шт.

4

19-6247

BOLT,3/8" - 24 x 0.75", Grade 8

4шт.

5

L116943

SECURING STRAP

Input Shaft

2шт.

6

8501111

COUPLING FLANGE

Flywheel to Driveshaft

1шт.

7

863-10020

HEX SOC SCREW,M10 x 20mm, Cl 12.9

8шт.

8

87522101

COVER

Dust, Set

1шт.

9

760-14113

SELF-TAP SCREW,Pan Hd, M3.5 x 13

2шт.

10

896-15010

WASHER,11mm ID x 24mm OD x 3mm Thk

12шт.

11

806-10030

BOLT,Hex, M10 x 1.5 x 30mm, Cl 10.9

12шт.

12

L11541

CABLE TIE,203.2mm L, Nylon

2шт.

Выбрано товаров: 13