Качественные детали и логистика
Оригинальные и аналоговые запчасти с доставкой по России, Казахстану и Беларуси
©2022 PartSell ООО "Система" ИНН 2463123282 ОГРН 1212400004838
Центральный офис: г. Красноярск, Академика Киренского, д.87, пом.4
Телефон: 8 (800) 777-65-74 Email: zakaz@partsell.ru
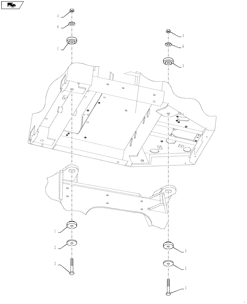
(90.150.AE) - CAB, CANOPY MOUNTING
№
Артикул
Название
Примечание
Количество
1
358981A1
RUBBER MOUNTING
Cab/Canopy Support, Rear
4шт.
2
1332154C1
WASHER,23mm ID x 95.3mm OD x 12.7mm Thk
Special
3
326-1488
BOLT,Hex, 7/8" - 9 x 5-1/2", Gr 8
4
329-1014
NUT,7/8"-9, G8
5
358982A1
Cab/Canopy Support, Front
6
396-41094
WASHER,23.82mm ID x 57.15mm OD x 5.56mm Thk
Выбрано товаров: 0