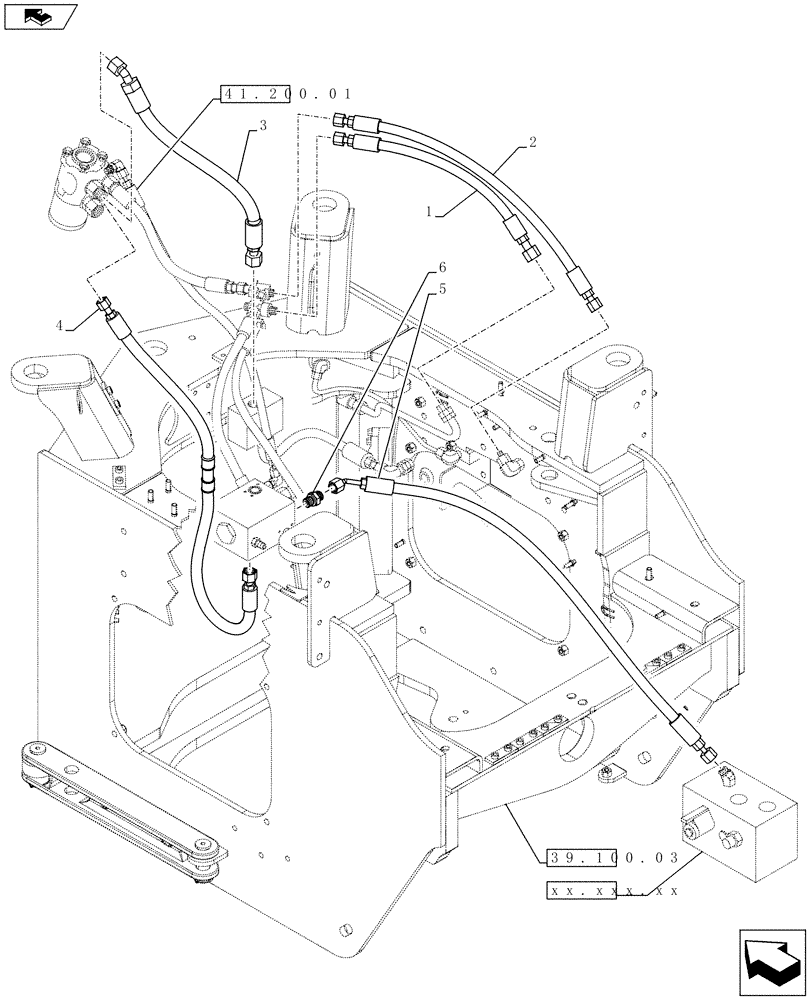
Запчасти Case 821F (41.200.01[03]) - STEERING, HYDRAULICS 821F, NO JOYSTICK (41) - STEERING

Схема запчастей Case 821F - (41.200.01[03]) - STEERING, HYDRAULICS 821F, NO JOYSTICK (41) - STEERING
home
4
2
3
1
39.100.03
xx.xxx.xx
6
5
41.200.01
FIT
1:1
100%

Артикул

Название

Примечание

Количество

1

87338206

HOSE ASSY.

Right Side Rod

1шт.

2

87519865

HOSE ASSY.

Right Side Base

1шт.

3

87563041

HOSE ASSY.

Steering Return

1шт.

4

87617166

HOSE ASSY.

Steering Supply

1шт.

5

87379711

HOSE ASSY.

Load Sense (Auxiliary Steering)

1шт.

6

700-153

HYD CONNECTOR,9/16" - 18 Male ORFS x M14 x 1.5 Male ORB

Inc. 7

1шт.

7

238-6011

O-RING,0.07" Thk x 0.301" ID, -11, Cl 6, 90 Duro

1шт.

Выбрано товаров: 7