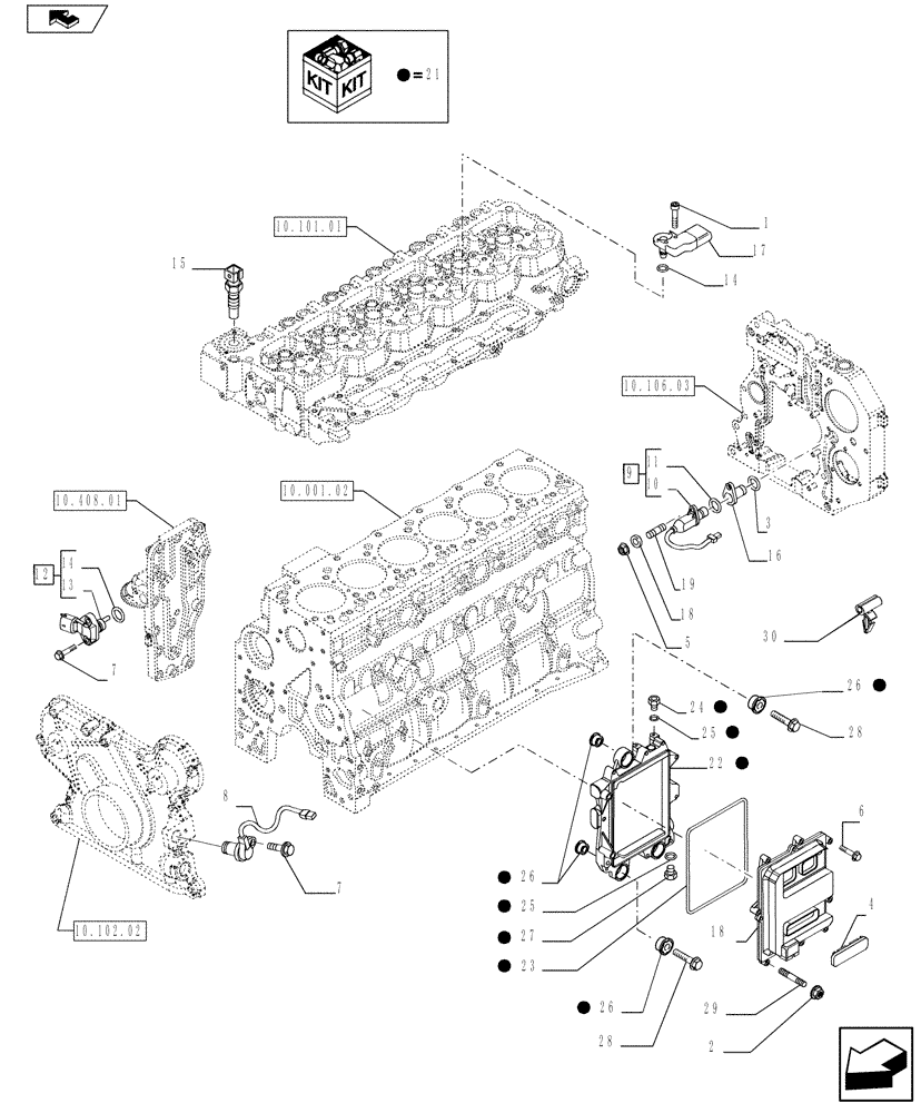
Запчасти Case 821F (55.640.01) - ELECTRONIC INJECTION (504092213) (55) - ELECTRICAL SYSTEMS

Схема запчастей Case 821F - (55.640.01) - ELECTRONIC INJECTION (504092213) (55) - ELECTRICAL SYSTEMS
24
21
18
8
28
5
21
14
21
16
17
21
23
25
27
19
25
13
2
10.102.02
21
9
21
21
21
29
10.106.03
4
7
28
21
12
7
1
30
21
21
11
15
10.101.01
26
22
14
18
home
6
10.001.02
26
10.408.01
3
26
10
FIT
1:1
100%

Артикул

Название

Примечание

Количество

1

4895817

BOLT,Flng, M6 x 1 x 20mm, Cl 10.9

1шт.

2

4899057

FLANGE NUT,M6

1шт.

3

14453881

O-RING,23.52mm ID x 1.78" Width

M23.5 x 1.7

1шт.

4

504043102

PLUG

1шт.

5

15896221

NUT,Hex, M6, 5.20mm High, Cl 10

M6 x 1

1шт.

6

16586021

SCREW,M6 x 30mm

M6 x 30

7шт.

7

4899110

SCREW,Hex Flg, M6 x 1 x 20

M6 x 20 mm

3шт.

8

4890189

SENSOR

Speed

1шт.

9

4890190

SENSOR

Speed

1шт.

10

NSS

NOT SOLD SEPARAT

17.17 x 1.78 mm

1шт.

11

2852820

O-RING,0.07" Thk x 0.676" ID, 17, Cl 7, 75 Duro

Dia=17,17mm Sp=1.78 mm

1шт.

12

4890193

SENSOR

Oil Pressure and Temp.

1шт.

13

NSS

NOT SOLD SEPARAT

Temperature

1шт.

14

42546555

O-RING

1шт.

15

4897224

SENSOR

Sensor, Air Pressure & Temperature, 4 wire

1шт.

16

4892255

HOUSING

1шт.

17

504073323

SENSOR

Air Pressure and Temp.

1шт.

18

2854594

ECU

1шт.

18

2854594R

REMAN-MODULE

1шт.

18

2854594C

CORE-MODULE

Return Number

1шт.

19

4895157

STUD

1шт.

20

504070042

GASKET

1шт.

22

504093661

BRACKET

2шт.

21

504093661

BRACKET

M12 x 1.5

1шт.

23

98498817

ISOLATOR

6шт.

24

4896542

HYD CONNECTOR,M12 x 1.5 ORB x 6 ORFS

1шт.

25

93156604

GASKET

3шт.

26

2854593

STUD

1шт.

Выбрано товаров: 28