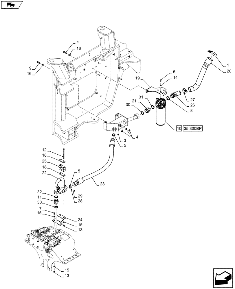
Запчасти Case 821F (35.300.AJ) - RETURN LINE HYDRAULIC FILTER INSTALLATION (35) - HYDRAULIC SYSTEMS

Схема запчастей Case 821F - (35.300.AJ) - RETURN LINE HYDRAULIC FILTER INSTALLATION (35) - HYDRAULIC SYSTEMS
20
6
2
22
19
11
13
28
15
29
30
25
8
15
16
18
26
24
9
14
21
35.300.bp
18
1
30
12
10
13
4
31
5
23
32
5
27
home
3
16
7
15
FIT
1:1
100%

Артикул

Название

Примечание

Количество

1

L115548

CLAMP,57.15mm - 79.38mm

Constant Torque

1шт.

2

627-12045

BOLT,Hex, M12 x 1.75 x 45mm, Cl 10.9, Full Thd

2шт.

3

238-6012

O-RING,0.07" Thk x 0.364" ID, -12, Cl 6, 90 Duro

1шт.

4

238-6016

O-RING,0.07" Thk x 0.614" ID, -16, Cl 6, 90 Duro

3шт.

5

238-6025

O-RING,0.07" Thk x 1.176" ID, -25, Cl 6, 90 Duro

2шт.

6

627-10025

BOLT,Hex, M10 x 1.5 x 25mm, Cl 10.9, Full Thd

4шт.

7

627-10030

BOLT,Hex, M10 x 1.5 x 30mm, Cl 10.9, Full Thd

2шт.

8

637-64386

O-RING,2.9mm Thk x 38.6mm ID, Cl 6, 90 Duro

1шт.

9

627-12040

BOLT,Hex, M12 x 1.75 x 40mm, Cl 10.9, Full Thd

4шт.

10

NSS

NOT SOLD SEPARAT

See Link

1шт.

11

700-133

HYD CONNECTOR,1-11/16" - 12 Male ORFS x M42 x 2 Male ORB

1шт.

12

827-10150

BOLT,Hex, M10 x 1.5 x 150mm, Cl 10.9

2шт.

13

832-10410

NUT,M10 x 1.5, Cl 8

4шт.

14

895-11010

WASHER,11mm ID x 20mm OD x 2mm Thk

4шт.

15

895-15010

WASHER,11mm ID x 24mm OD x 2mm Thk

6шт.

16

896-15012

WASHER,13.5mm ID x 28mm OD x 4mm Thk

6шт.

17

84211613

HYDRAULIC MANIFOLD

1шт.

18

8500858

PLATE

Clamp Cover

2шт.

19

47567279

BRACKET

Filter Mounting

1шт.

20

87323687

HOSE,50.80 mm ID, 63.5 mm ID x 494.0 mm

Filter Return

1шт.

21

86997863

HYD CONNECTOR,2" - 12 ORFS x M42 x 2 ORB

1шт.

22

87338332

TUBE,1.25" OD

Valve Return

1шт.

23

87338334

HOSE ASSY.

Articulation Return

1шт.

24

87338335

BRACKET

Articulation Hose

1шт.

25

87452747

CLAMP,33.4mm ID

Tube Mounting

1шт.

26

390208A2

ADAPTER

Filter

1шт.

27

254026A1

HOSE CLAMP,44.45mm - 66.67mm

Constant Torque

1шт.

28

238-6011

O-RING,0.07" Thk x 0.301" ID, -11, Cl 6, 90 Duro

1шт.

29

701-917

CAP,Hex, 9/16" - 18 Female ORFS

1шт.

30

637-64386

O-RING,2.9mm Thk x 38.6mm ID, Cl 6, 90 Duro

2шт.

31

238-6029

O-RING,0.07" Thk x 1.489" ID, -29, Cl 6, 90 Duro

1шт.

32

238-6025

O-RING,0.07" Thk x 1.176" ID, -25, Cl 6, 90 Duro

1шт.

Выбрано товаров: 32