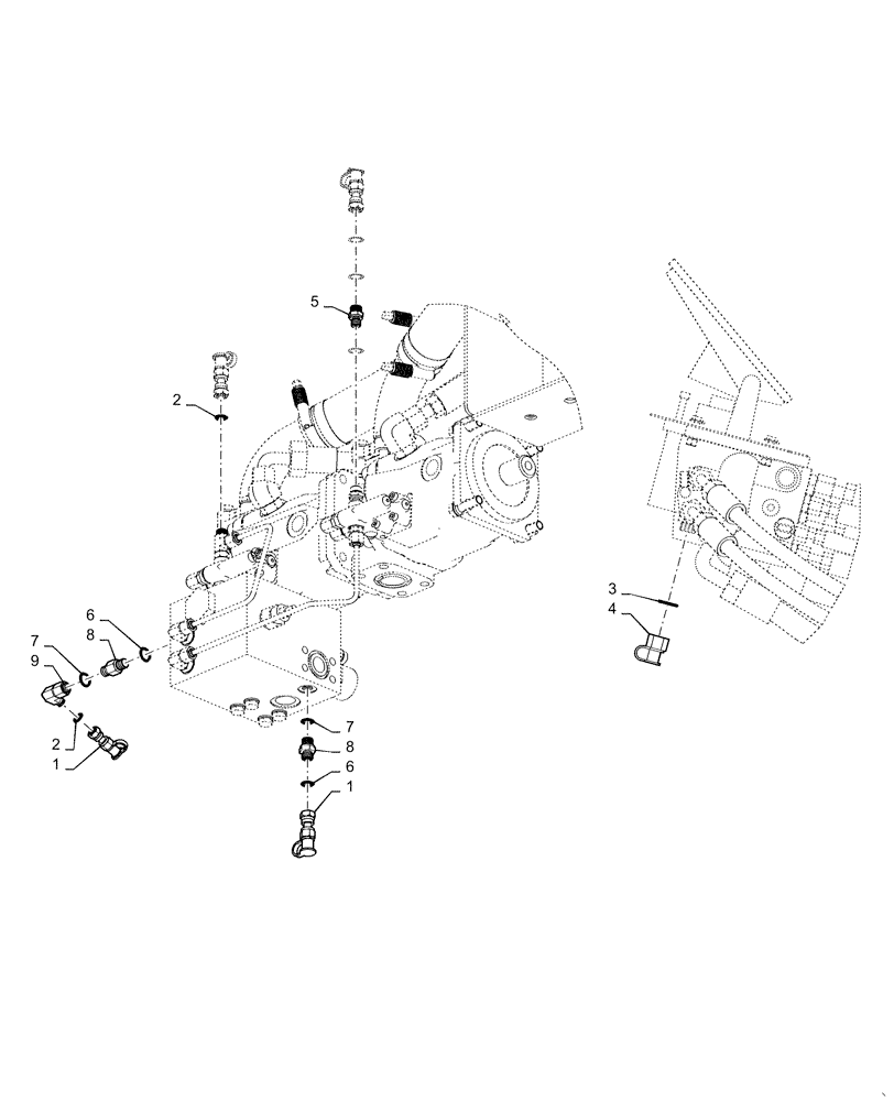
Запчасти Case 821F (35.000.AA) - DIAGNOSTIC COUPLER (35) - HYDRAULIC SYSTEMS

Схема запчастей Case 821F - (35.000.AA) - DIAGNOSTIC COUPLER (35) - HYDRAULIC SYSTEMS
3
4
6
9
7
2
7
1
1
2
6
8
8
5
FIT
1:1
100%

Артикул

Название

Примечание

Количество

1

190117A1

COUPLING

Diagnostic

6шт.

2

238-6011

O-RING,0.07" Thk x 0.301" ID, -11, Cl 6, 90 Duro

6шт.

3

190316A1

COUPLING

Diagnostic Coupler Assembly

2шт.

4

238-6014

O-RING,0.07" Thk x 0.489" ID, -14, Cl 6, 90 Duro

2шт.

5

700-100

HYD CONNECTOR,9/16" - 18 Male ORFS x M12 x 1.5 Male ORB

1шт.

6

637-63093

O-RING,2.2mm Thk x 9.3mm ID, Cl 6, 90 Duro

3шт.

7

237-6006

O-RING,0.078" Thk x 0.468" ID, -906, Cl 6, 90 Duro

3шт.

8

700-153

HYD CONNECTOR,9/16" - 18 Male ORFS x M14 x 1.5 Male ORB

2шт.

9

701-329

ELBOW,90 Degree Elbow, 9/16" - 18 Male ORFS x 9/16" - 18 Female ORFS

1шт.

Выбрано товаров: 9