Запчасти Case 921F (33.202.03) - MAIN BRAKE SYSTEM,FRONT (33) - BRAKES & CONTROLS

Схема запчастей Case 921F - (33.202.03) - MAIN BRAKE SYSTEM,FRONT (33) - BRAKES & CONTROLS
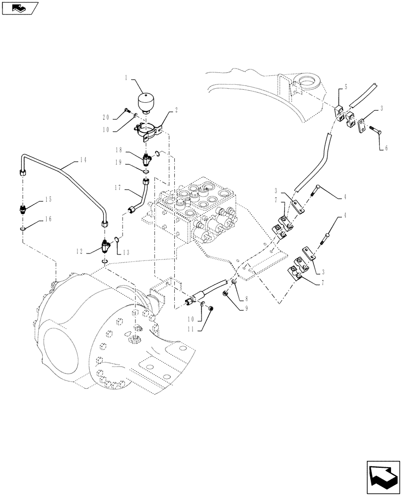
1
11
2
3
13
10
3
17
15
9
home
7
16
10
3
19
4
7
14
8
12
4
5
6
20
18
FIT
1:1
100%

Артикул

Название

Примечание

Количество

1

84272712

ACCUMULATOR

Brake Damping

1шт.

2

84272713

CLAMP,73mm - 79mm

Accumulator

1шт.

3

367658A1

PLATE

Clamp Cover

3шт.

4

827-10080

BOLT,Hex, M10 x 1.5 x 80mm, Cl 10.9

4шт.

5

367489A1

BLOCK

Tube Mounting

1шт.

6

827-10060

BOLT,Hex, M10 x 1.5 x 60mm, Cl 10.9

2шт.

7

379374A1

BLOCK

Tube Mounting

2шт.

8

895-11010

WASHER,11mm ID x 20mm OD x 2mm Thk

4шт.

9

832-10410

NUT,M10 x 1.5, Cl 8

4шт.

10

895-15008

WASHER,9mm ID x 20mm OD x 1.6mm Thk

4шт.

11

832-10408

NUT,M8 x 1.25, Cl 8.8

2шт.

12

700-412

TEE,13/16" - 16 Male ORFS x 13/16" - 16 Male ORFS x M18 x 1.5 Male ORB

Inc. 13

1шт.

13

238-6014

O-RING,0.07" Thk x 0.489" ID, -14, Cl 6, 90 Duro

2шт.

14

84234399

HYD TUBE

Rear Axle

1шт.

15

700-102

HYD CONNECTOR,13/16" - 16 Male ORFS x M18 x 1.5 Male ORB

Inc. 16

1шт.

16

238-6014

O-RING,0.07" Thk x 0.489" ID, -14, Cl 6, 90 Duro

1шт.

17

84277918

HYD TUBE

Return, Brake Tank, 821F Only

1шт.

17

84279578

HYD TUBE

Return, Brake Tank, 921F Only

1шт.

18

84218880

RUN TEE,13/16" - 16 ORFS x 13/16" - 16 ORFS x 9/16" - 18 ORB

Inc. 19

1шт.

19

238-6014

O-RING,0.07" Thk x 0.489" ID, -14, Cl 6, 90 Duro

2шт.

20

627-8025

BOLT,Hex, M8 x 1.25 x 25mm, Cl 10.9, Full Thd

2шт.

Выбрано товаров: 21