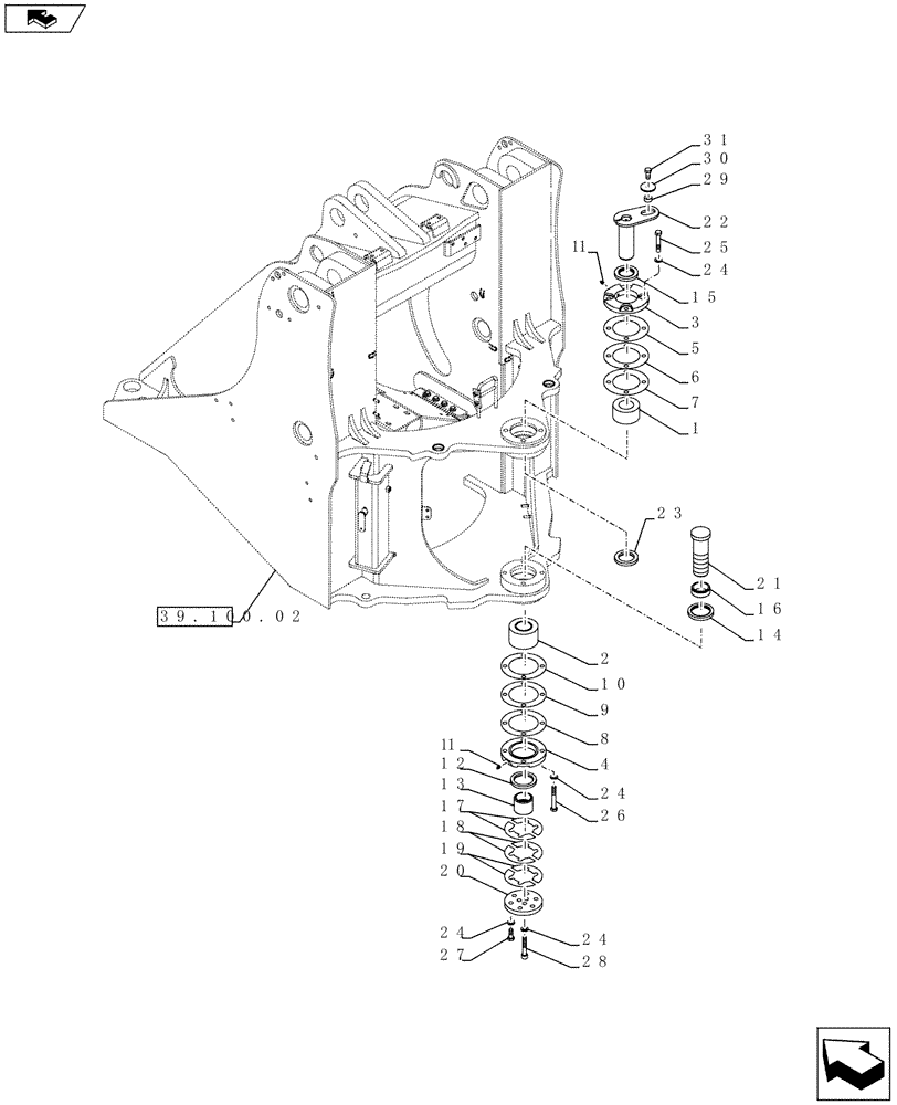
Запчасти Case 921F (39.100.04) - ARTICULATING JOINT ASSEMBLY (39) - FRAMES AND BALLASTING

Схема запчастей Case 921F - (39.100.04) - ARTICULATING JOINT ASSEMBLY (39) - FRAMES AND BALLASTING
1
13
2
21
20
home
30
24
27
17
15
22
3
7
25
8
28
14
5
31
24
1
39.100.02
10
29
12
1
18
1
4
24
26
1
6
24
16
23
9
19
FIT
1:1
100%

Артикул

Название

Примечание

Количество

1

391359A1

TAPERED BEARING,63.5mm ID x 112.71mm OD x 60.91mm W

Lower Pivot

1шт.

2

432765A1

TAPERED BEARING,63.5mm ID x 122.24mm OD x 76.61mm W

Lower Pivot

1шт.

3

87310201

RETAINER

Upper Pivot

1шт.

4

87310380

RETAINER

Lower Pivot

1шт.

5

87312744

SHIM,114mm ID x 190mm OD x 0.1mm Thk

0.1 Upper Pivot

1шт.

6

87312745

SHIM,114mm ID x 190mm OD x 0.28mm Thk

0.25 Upper Pivot

1шт.

7

87312746

SHIM,114mm ID x 190mm OD x 0.54mm Thk

0.5 Upper Pivot

1шт.

8

87312747

SHIM,124mm ID x 190mm OD x 0.1mm Thk

0.1 Lower Pivot

1шт.

9

87312748

SHIM,124mm ID x 190mm OD x 0.25mm Thk

0.25 Lower Pivot

1шт.

10

87312749

SHIM,124mm ID x 190mm OD x 0.54mm Thk

0.5 Lower Pivot

1шт.

11

219-1

LUBE NIPPLE,1/8" - 27 NPTF

2шт.

12

L126168

SEAL,79.38mm ID x 108.05mm OD x 11.89mm Thk

Lower Without Excluding Lip

1шт.

13

87623439

SPACER,63.54mm ID x 79.4mm OD x 63.64mm L

Lower Bearing

1шт.

14

L118978

SEAL,79.38mm ID x 108.05mm OD x 12.7mm Thk

Lower,Upper With Excluding Lip

1шт.

15

L125008

SEAL,63.5mm ID x 98.58mm OD x 11.89mm Thk

Upper,Upper With Excluding Lip

1шт.

16

87623437

SPACER,63.55mm ID x 79.4mm OD x 29.5mm L

Lower Bearing

1шт.

17

87312750

SHIM,90mm ID x 160mm OD x 0.11mm Thk

Pivot Chassis 0.1

1шт.

18

87312751

SHIM,90mm ID x 160mm OD x 0.28mm Thk

Pivot Chassis 0.25

1шт.

19

87312752

SHIM,90mm ID x 160mm OD x 0.54mm Thk

Pivot Chassis 0.5

1шт.

20

87310327

PLATE

Lower Pin

1шт.

21

87310326

PIVOT PIN,63.47mm OD x 208.75mm L

Lower

1шт.

22

87310297

PIN,63.47mm OD x 188.4mm L

Upper

1шт.

23

L125561

SEAL,63.5mm ID x 98.58mm OD x 11.89mm Thk

Upper, Lower Without Excluding Lip

1шт.

24

896-11016

WASHER,17.5mm ID x 30mm OD x 4mm Thk

17шт.

25

827-16090

BOLT,Hex, M16 x 2 x 90mm, Cl 10.9

4шт.

26

827-16110

BOLT,Hex, M16 x 2 x 110mm, Cl 10.9

4шт.

27

627-16040

BOLT,Hex, M16 x 2 x 40mm, Cl 10.9, Full Thd

6шт.

28

863-16090

HEX SOC SCREW,M16 x 90mm, Cl 12.9

3шт.

29

L125100

SPACER,17.48mm ID x 31.75mm OD x 14.3mm Thk

1шт.

30

496-81025

WASHER,21/32" x 2 1/2" x .188", HDN

1шт.

31

627-16035

BOLT,Hex, M16 x 2 x 35mm, Cl 10.9, Full Thd

1шт.

32

331-329

GREASE

Wheel Bearing

1шт.

Выбрано товаров: 32