Запчасти Case 921F (41.101.02) - CAB/CANOPY - STEERING COLUMN (41) - STEERING

Схема запчастей Case 921F - (41.101.02) - CAB/CANOPY - STEERING COLUMN (41) - STEERING
2
7
3
4
5
1
6
8
FIT
1:1
100%

Артикул

Название

Примечание

Количество

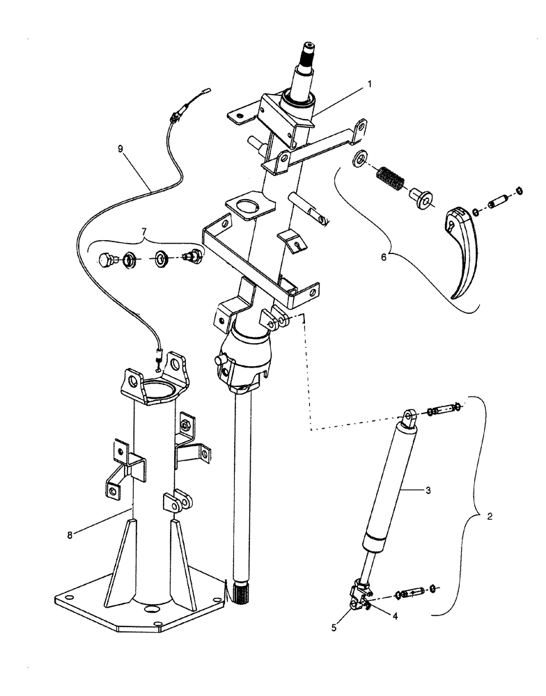
87497543

STEERING COLUMN

STEERING COLUMN, Incl. Refs. 1 - 6; Component Parts Not Serviced Individually, Order Kits

1шт.

1

84177064

REPAIR KIT

KIT, Upper Column and Shaft Assy.

1шт.

2

84177065

REPAIR KIT

KIT, Gas Spring

1шт.

3

76048930

GAS STRUT

1шт.

4

84243534

LEVER

1шт.

5

84243594

HEAD

1шт.

6

84155696

REPAIR KIT

KIT, Lever

1шт.

7

84155697

REPAIR KIT

KIT, Pivot

1шт.

8

84155699

HOLDER

KIT, Lower Column, Support Assy.

1шт.

9

84155700

CABLE

KIT, Cable, Gas Strut Activator

1шт.

Выбрано товаров: 10