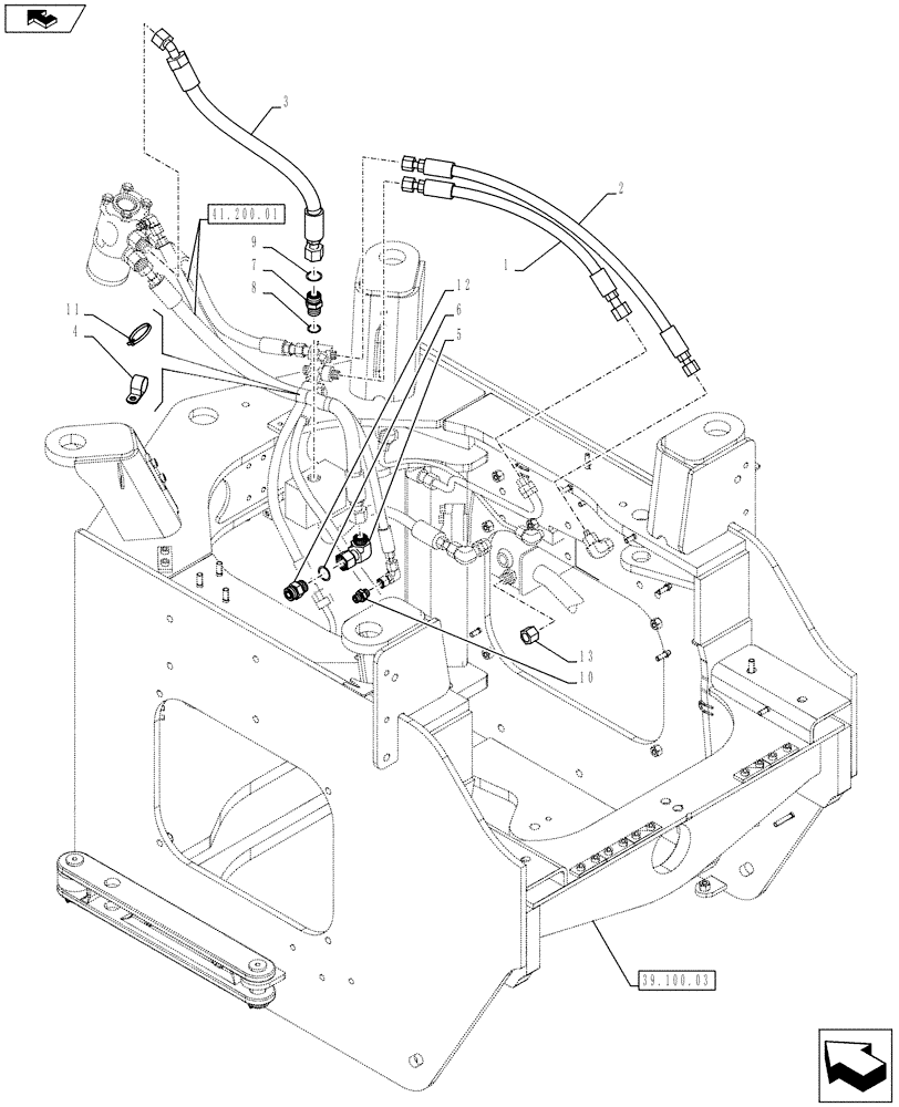
Запчасти Case 921F (41.200.01[02]) - STEERING, HYDRAULICS 921F, NO JOYSTICK (41) - STEERING

Схема запчастей Case 921F - (41.200.01[02]) - STEERING, HYDRAULICS 921F, NO JOYSTICK (41) - STEERING
8
1
6
5
12
11
13
10
4
7
41.200.01
2
3
9
home
39.100.03
FIT
1:1
100%

Артикул

Название

Примечание

Количество

1

87338206

HOSE ASSY.

Right Side Rod

1шт.

2

87519865

HOSE ASSY.

Right Side Base

1шт.

3

84259758

HYDRAULIC HOSE

Steering Return

1шт.

4

515-24317

CLAMP,1 1/4", Insul, 7/16" Bolt

1шт.

5

701-342

ELBOW,90 Degree Elbow, 1-3/16" - 12 Male ORFS x 1-3/16" - 12 Female ORFS

1шт.

6

70923843

O-RING,0.07" Thk x 0.739" ID, -18, Cl 6, 90 Duro

1шт.

7

700-104

HYD CONNECTOR,1-3/16" - 12 Male ORFS x M27 x 2 Male ORB

1шт.

8

14438185

O-RING,24mm ID x 3mm

1шт.

9

70923843

O-RING,0.07" Thk x 0.739" ID, -18, Cl 6, 90 Duro

1шт.

10

700-153

HYD CONNECTOR,9/16" - 18 Male ORFS x M14 x 1.5 Male ORB

1шт.

11

L11541

CABLE TIE,203.2mm L, Nylon

CABLE STRAP 7-8" Black

3шт.

12

87534063

CHECK VALVE,1-3/16" - 12 ORFS x M27 x 2 ORB

1шт.

13

701-906

CAP,1" - 14

1шт.

Выбрано товаров: 13