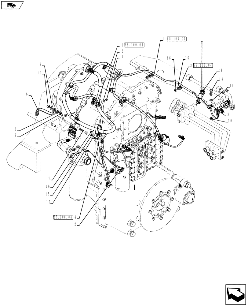
Запчасти Case 921F (55.100.05) - TRANSMISSION HARNESS INSTALLATION (55) - ELECTRICAL SYSTEMS

Схема запчастей Case 921F - (55.100.05) - TRANSMISSION HARNESS INSTALLATION (55) - ELECTRICAL SYSTEMS
4
9
15
55.100.04
1
12
7
2
14
16
16
8
55.100.04
55.100.04
15
13
16
55.100.04
3
18
11
15
home
17
3
8
10
6
FIT
1:1
100%

Артикул

Название

Примечание

Количество

1

84292030

HARNESS

Ref Fig. 55.100.04

1шт.

2

321446A1

SENSOR

Engine Coolant

1шт.

3

515-23111

CLAMP,7/16", Insul, 3/8" Bolt

Ref Fig 55.100.04

2шт.

5

515-2495

CLAMP,3/8", Insul, 7/16" Bolt

1шт.

6

NSS

NOT SOLD SEPARAT

Ground Strap

1шт.

7

627-10065

BOLT,Hex, M10 x 1.5 x 65mm, Cl 10.9, Full Thd

1шт.

8

895-15010

WASHER,11mm ID x 24mm OD x 2mm Thk

3шт.

9

829-1410

NUT,M10 x 1.5, Cl 10.9

1шт.

10

832-10410

NUT,M10 x 1.5, Cl 8

2шт.

11

515-21190

CLAMP,3/4", Insul, 1/4" Bolt

Ref Fig 55.100.04

1шт.

12

895-11006

WASHER,6.6mm ID x 12mm OD x 1.6mm Thk

1шт.

13

832-10406

NUT,M6 x 1, Cl 8

1шт.

14

87728742

SWITCH

Redundant Brake

2шт.

15

86624176

WASHER,11mm ID x 20mm OD x 2mm Thk

7шт.

16

832-46410

NUT,M10 x 1.5, Cl 8

6шт.

17

L111928

CLAMP

1шт.

18

613-10035

BOLT,Hex, M10 x 1.5 x 35mm, Cl 8.8, Full Thd

1шт.

Выбрано товаров: 17