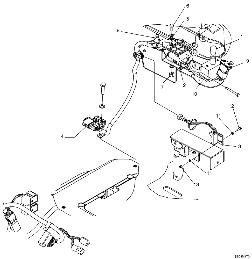
Запчасти Case 921F (55.512.02) - JOYSTICK STEERING - JOYSTICK CONTROL AND HARNESS (55) - ELECTRICAL SYSTEMS

Схема запчастей Case 921F - (55.512.02) - JOYSTICK STEERING - JOYSTICK CONTROL AND HARNESS (55) - ELECTRICAL SYSTEMS
9
6
12
11
8
4
1
13
2
3
5
11
10
7
FIT
1:1
100%

Артикул

Название

Примечание

Количество

1

87481641

JOYSTICK

Steering Control

1шт.

2

87481859

MODULE

1шт.

3

6550479

TOGGLE SWITCH

1шт.

4

84185130

WIRE HARNESS

HARNESS, Joystick Steering

1шт.

5

895-11008

WASHER,9mm ID x 16mm OD x 1.6mm Thk

2шт.

6

627-8020

BOLT,Hex, M8 x 1.25 x 20mm, Cl 10.9, Full Thd

1шт.

7

832-10410

NUT,M10 x 1.5, Cl 8

1шт.

8

L11541

CABLE TIE,203.2mm L, Nylon

CABLE STRAP

3шт.

9

400833A2

SWITCH

F-N-R

1шт.

10

402390A1

SWITCH

Downshift

1шт.

11

895-11005

WASHER,5.5mm ID x 10mm OD x 1mm Thk

4шт.

12

614-5010

BOLT,Hex, M5 x 0.8 x 10mm, Cl 8.8, Full Thd

2шт.

13

832-10405

NUT,M5 x .8, Cl 8

2шт.

Выбрано товаров: 13