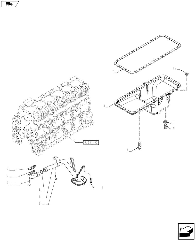
Запчасти Case 921F (10.102.01) - OIL SUMP & RELATED PARTS (10) - ENGINE

Схема запчастей Case 921F - (10.102.01) - OIL SUMP & RELATED PARTS (10) - ENGINE
5
11
4
home
6
2
5
3
10.001.02
7
8
10
12
1
9
FIT
1:1
100%

Артикул

Название

Примечание

Количество

1

4899020

FLANGE BOLT,Hex, M8 x 1.25 x 20mm

2шт.

2

4899019

SCREW,Hex Flg, M8 x 1.25 x 35

32шт.

3

4898301

GASKET,0.42mm Thk

1шт.

4

2852419

ENGINE OIL PAN

1шт.

5

4895291

SCREW,Hex Flg, M10 x 1.5 x 20

3шт.

6

2852238

ELBOW

1шт.

7

2852420

OIL PAN GASKET SET

1шт.

8

504082954

STRAINER ELEMENT

1шт.

9

14457981

O-RING,1.049" ID x 0.103" Width

1шт.

10

4894139

PLUG,Hex Soc, M22 x 1.5

1шт.

11

5135740

O-RING,0.924" ID x 1.13" OD x 0.103"

1шт.

12

4897330

HEX SOCKET PLUG,M12 x 1.5

1шт.

Выбрано товаров: 12