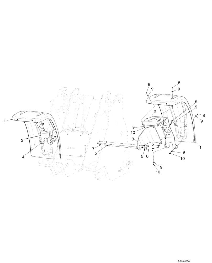
Запчасти Case 921F (90.116.07) - FENDERS, FRONT WIDE (90) - PLATFORM, CAB, BODYWORK AND DECALS

Схема запчастей Case 921F - (90.116.07) - FENDERS, FRONT WIDE (90) - PLATFORM, CAB, BODYWORK AND DECALS
7
10
1
5
2
2
9
9
4
9
5
9
9
1
8
10
10
5
6
9
3
5
7
8
6
8
FIT
1:1
100%

Артикул

Название

Примечание

Количество

1

87610930

FRONT FENDER

Wide

2шт.

2

87676688

BRACKET

Fender

2шт.

3

87708333

BRACKET

LH Fender Support

1шт.

4

87708335

BRACKET

RH Fender Support

1шт.

5

896-15012

WASHER,13.5mm ID x 28mm OD x 4mm Thk

24шт.

6

827-12050

BOLT,Hex, M12 x 1.75 x 50mm, Cl 10.9

12шт.

7

832-10412

NUT,M12 x 1.75, Cl 8

12шт.

8

627-8030

BOLT,Hex, M8 x 1.25 x 30mm, Cl 10.9, Full Thd

12шт.

9

895-25008

WASHER,9mm ID x 24mm OD x 2mm Thk

24шт.

10

832-10408

NUT,M8 x 1.25, Cl 8.8

12шт.

Выбрано товаров: 10