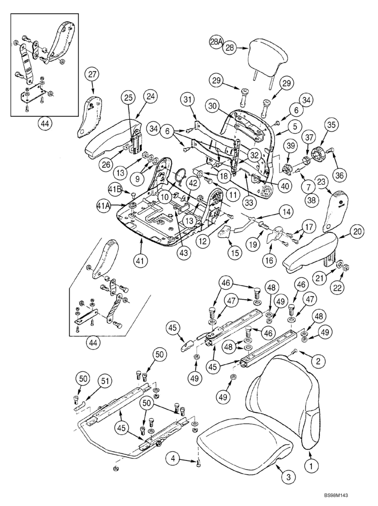
Запчасти Case 921F (90.120.03) - SEAT ASSY, MECHANICAL SUSPENSION (90) - PLATFORM, CAB, BODYWORK AND DECALS

Схема запчастей Case 921F - (90.120.03) - SEAT ASSY, MECHANICAL SUSPENSION (90) - PLATFORM, CAB, BODYWORK AND DECALS
49
26
29
41
25
28a
28
50
9
7
45
16
5
46
12
36
21
49
1
44
34
13
4
38
10
49
49
48
44
11
47
24
27
50
22
46
14
31
6
32
19
47
40
43
33
50
18
51
6
29
42
2
48
20
3
41a
46
34
48
37
45
41b
45
30
13
17
39
15
35
23
FIT
1:1
100%

Артикул

Название

Примечание

Количество

84291662

SEAT

Assembly Complete

1шт.

1

87583733

SEAT BACK

Backrest

1шт.

2

82034997

SCREW,M5 x 25mm

4шт.

3

87583734

SEAT BACK

Seat

1шт.

4

82034997

SCREW,M5 x 25mm

4шт.

71491410

FRAME

Backrest, Incl. 5 - 7

1шт.

5

NSS

NOT SOLD SEPARAT

Cover

1шт.

6

85811351

RIVET

3шт.

7

47124903

RIVET

3шт.

71491411

KIT

Hardware; Backrest Adjustment; Incl. 9 - 19

1шт.

9

82034881

WASHER,8.4mm ID

2шт.

10

87567527

SPRING SEAT

Leg, RH

1шт.

11

87583729

SPECIAL BOLT

Hex M8 x 40

1шт.

12

82034894

SCREW,M8 x 1.25 x 1.25mm

M8 x 16

2шт.

13

87583748

NUT

2шт.

14

345749A1

LEVER

1шт.

15

345752A1

HANDLE

1шт.

16

345753A1

PLATE

1шт.

17

345754A1

SCREW

M6 x 10

3шт.

18

85811352

TUBE

Bushing

1шт.

19

345776A1

SCREW

M8 x 18

1шт.

20

87583757

ARMREST

Left Hand; Incl. 21, 22

1шт.

21

9960692

WASHER

1шт.

22

85817458

NUT

1шт.

23

87584704

COVER

Left Hand

1шт.

24

87583762

ARMREST

Right Hand; Incl. 25, 26

1шт.

25

9960692

WASHER

1шт.

26

85817458

NUT

1шт.

27

87583731

COVER

Right Hand

1шт.

28

87583747

EXTENSION

1шт.

29

85811350

BUSHING

2шт.

30

NSS

NOT SOLD SEPARAT

Retainer

1шт.

82034963

SUPPORT

Lumbar; Incl. 31 - 40

1шт.

31

82034969

PLATE

Lumbar

2шт.

32

82034910

PLATE

1шт.

33

82034909

ROD

1шт.

34

85811351

RIVET

3шт.

35

82034964

HANDLE

Incl. 36

1шт.

36

82034917

SCREW,M6 x 10mm

M6 x 10

1шт.

37

82034916

PAWL

1шт.

38

47124903

RIVET

3шт.

39

82034911

BRAKE

1шт.

40

82034912

CARRIER

1шт.

41

87583736

PAN

Seat, Incl. 41A, 41B

1шт.

41a

NSS

NOT SOLD SEPARAT

Guide

4шт.

41b

NSS

NOT SOLD SEPARAT

Rivet

4шт.

42

87583739

STOP

1шт.

43

85817458

NUT

1шт.

44

NSS

NOT SOLD SEPARAT

Tether Belt

1шт.

45

345783A1

RAIL ASSY.

Seat Slide Rails; See Figure 09-40

1шт.

46

16043231

SCREW,Hex, M8 x 16mm, Cl 10.9, Full Thd

4шт.

47

9960692

WASHER

3шт.

48

82034881

WASHER,8.4mm ID

4шт.

49

87583748

NUT

Hex M8; If Used

4шт.

49

85817458

NUT

M8, If Used

4шт.

50

82034894

SCREW,M8 x 1.25 x 1.25mm

M8 x 16, If Used

4шт.

50

87583741

HEX SOC SCREW

If Used

4шт.

51

87583737

STOP

Slide Rail

1шт.

Выбрано товаров: 58