Запчасти Case 921F (90.160.03) - CAB, INTERIOR TRIM (90) - PLATFORM, CAB, BODYWORK AND DECALS

Схема запчастей Case 921F - (90.160.03) - CAB, INTERIOR TRIM (90) - PLATFORM, CAB, BODYWORK AND DECALS
15
5
90.160.04
4
7
8
6
10
3
7
90.160.04
7
13
2
home
8
11
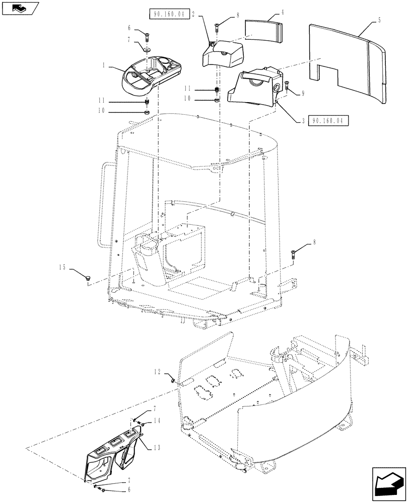
1
10
9
11
14
6
12
FIT
1:1
100%

Артикул

Название

Примечание

Количество

1

76303033

CONSOLE

RH

1шт.

2

76303042

SUPPORT

See Ref. 90.160.04

1шт.

3

76303013

BOX

See Ref. 90.160.04

1шт.

4

87667054

TRIM PANEL

1шт.

5

87667053

TRIM PANEL

1шт.

6

840-1630

SCREW,Pan, M6 x 30mm, Cl 4.8

8шт.

7

895-11006

WASHER,6.6mm ID x 12mm OD x 1.6mm Thk

11шт.

8

239105A1

SCREW,Cross Pan Hd, M6 x 20mm

5шт.

9

13276924

SCREW,Pozidriv Pan Hd, M6 x 35mm, Cl 8.8, Full Thd

2шт.

10

86013769

NUT

Threaded Insert

10шт.

11

404287A1

INSERT,M6

M6

10шт.

12

833-40306

SPRING NUT,M6, U

2шт.

13

76303040

CONSOLE

Front

1шт.

14

614-6012

BOLT,Hex, M6 x 1 x 12mm, Cl 8.8, Full Thd

3шт.

15

353-404

PLUG,Dome, .500" hole, Nylon

5шт.

Выбрано товаров: 15