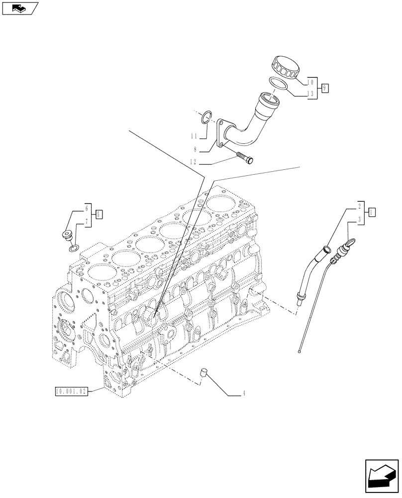
Запчасти Case 921F (10.304.01[01]) - PUMP, ENGINE OIL & RELATED PARTS (10) - ENGINE

Схема запчастей Case 921F - (10.304.01[01]) - PUMP, ENGINE OIL & RELATED PARTS (10) - ENGINE
2
3
home
5
13
10.001.02
12
6
11
4
1
10
7
9
8
FIT
1:1
100%

Артикул

Название

Примечание

Количество

1

504069038

DIPSTICK

ASSY

1шт.

2

2852122

TUBE,81 mm Length

1шт.

3

2852464

DIPSTICK

1шт.

4

4895406

EXPANSION PLUG,9.8mm OD

3шт.

5

4897330

HEX SOCKET PLUG,M12 x 1.5

ASSY

2шт.

6

4897459

PLUG,M12 x 1.5 x 11.5mm L

1шт.

7

4895610

O-RING,2.2mm Thk x 9.3mm ID

1шт.

8

504087621

NECK FILLER

1шт.

9

2853410

FILLER CAP,Female

ASSY

1шт.

10

NSS

NOT SOLD SEPARAT

1шт.

11

14458681

O-RING,1.487" ID x 0.103" Width

1шт.

12

16587924

SCREW,Hex Flg, M12 x 25mm, Cl 8.8

M6 X 18

2шт.

13

2853412

O-RING,0.21" Thk x 1.475" ID

1шт.

Выбрано товаров: 13