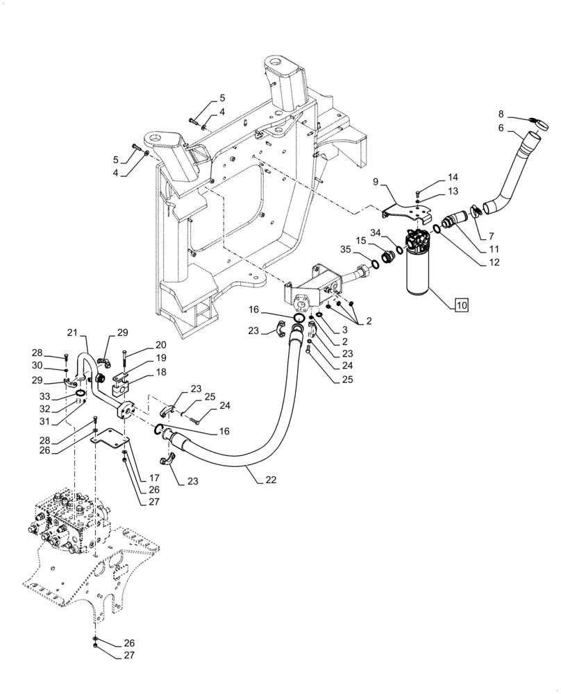
Запчасти Case 921F (35.300.AJ) - RETURN LINE HYDRAULIC FILTER INSTALLATION (35) - HYDRAULIC SYSTEMS

Схема запчастей Case 921F - (35.300.AJ) - RETURN LINE HYDRAULIC FILTER INSTALLATION (35) - HYDRAULIC SYSTEMS
24
2
28
29
12
25
14
6
4
16
27
15
26
16
26
27
23
8
22
17
10
31
26
20
25
32
18
5
30
7
23
9
5
34
23
29
2
21
13
33
28
35
11
4
3
19
24
23
FIT
1:1
100%

Артикул

Название

Примечание

Количество

1

84299304

HYDRAULIC MANIFOLD

1шт.

2

238-6016

O-RING,0.07" Thk x 0.614" ID, -16, Cl 6, 90 Duro

4шт.

3

238-6021

O-RING,15/16 X 1 - 1/16, Cl 6

1шт.

4

896-15012

WASHER,13.5mm ID x 28mm OD x 4mm Thk

6шт.

5

627-12045

BOLT,Hex, M12 x 1.75 x 45mm, Cl 10.9, Full Thd

6шт.

6

87323687

HOSE,50.80 mm ID, 63.5 mm ID x 494.0 mm

Filter Return

1шт.

7

254026A1

HOSE CLAMP,44.45mm - 66.67mm

Constant Torque

1шт.

8

L115548

CLAMP,57.15mm - 79.38mm

Constant Torque

1шт.

9

47567279

BRACKET

Filter Mounting

1шт.

10

47562739

FILTER ASSY

1шт.

11

390208A2

ADAPTER

Filter

1шт.

12

637-64386

O-RING,2.9mm Thk x 38.6mm ID, Cl 6, 90 Duro

1шт.

13

895-11010

WASHER,11mm ID x 20mm OD x 2mm Thk

4шт.

14

627-10025

BOLT,Hex, M10 x 1.5 x 25mm, Cl 10.9, Full Thd

4шт.

15

86997863

HYD CONNECTOR,2" - 12 ORFS x M42 x 2 ORB

1шт.

16

238-6225

O-RING,0.139" Thk x 1.859" ID, -225, Cl 6, 90 Duro

2шт.

17

84256920

BRACKET, SUPPORTING

Articulation Hose

1шт.

18

87452747

CLAMP,33.4mm ID

Tube Mounting

1шт.

19

8500858

PLATE

Clamp Cover

1шт.

20

827-10090

BOLT,Hex, M10 x 1.5 x 90mm, Cl 10.9

2шт.

21

84256923

HYD TUBE

Main Valve Return

1шт.

22

84248694

HOSE ASSY.

Filter Return

1шт.

23

A14157

FLANGE

Split Half Clamp

4шт.

24

892-11012

LOCK WASHER,M12

8шт.

25

827-12045

BOLT,Hex, M12 x 1.75 x 45mm, Cl 10.9, Full Thd

8шт.

26

895-15010

WASHER,11mm ID x 24mm OD x 2mm Thk

6шт.

27

832-10410

NUT,M10 x 1.5, Cl 8

4шт.

28

627-10030

BOLT,Hex, M10 x 1.5 x 30mm, Cl 10.9, Full Thd

6шт.

29

86980729

CLAMP

Split Flange

2шт.

30

892-11010

LOCK WASHER,M10

4шт.

31

238-6012

O-RING,0.07" Thk x 0.364" ID, -12, Cl 6, 90 Duro

1шт.

32

701-900

CAP,11/16" - 16

1шт.

33

238-6222

O-RING,0.139" Thk x 1.484" ID, -222, Cl 6, 90 Duro

1шт.

34

238-6029

O-RING,0.07" Thk x 1.489" ID, -29, Cl 6, 90 Duro

1шт.

35

637-64386

O-RING,2.9mm Thk x 38.6mm ID, Cl 6, 90 Duro

1шт.

Выбрано товаров: 35