Качественные детали и логистика
Оригинальные и аналоговые запчасти с доставкой по России, Казахстану и Беларуси
©2022 PartSell ООО "Система" ИНН 2463123282 ОГРН 1212400004838
Центральный офис: г. Красноярск, Академика Киренского, д.87, пом.4
Телефон: 8 (800) 777-65-74 Email: zakaz@partsell.ru
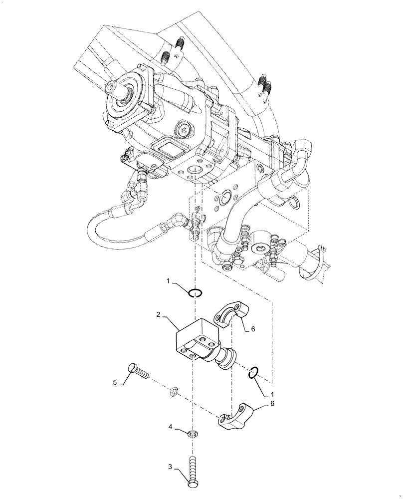
(41.200.BY[04]) - PRIORITY VALVE AND HYDRAULIC PUMP INSTALLATION
№
Артикул
Название
Примечание
Количество
1
238-6222
O-RING,0.139" Thk x 1.484" ID, -222, Cl 6, 90 Duro
2шт.
2
84243173
HYD TUBE
Pump to Manifold
1шт.
3
412084
BOLT,Hex, M14 x 2 x 75mm, Cl 10.9
4шт.
4
892-11014
LOCK WASHER,14.5mm ID x 24.1mm OD x 4.5mm Thk
8шт.
5
627-14045
BOLT,Hex, M14 x 2 x 45mm, Cl 10.9, Full Thd
6
87680118
CLAMP
Split Flange
Выбрано товаров: 0