Запчасти Case 921F (55.015.AB) - ENGINE AND REAR CHASSIS HARNESS INSTALLATION (55) - ELECTRICAL SYSTEMS

Схема запчастей Case 921F - (55.015.AB) - ENGINE AND REAR CHASSIS HARNESS INSTALLATION (55) - ELECTRICAL SYSTEMS
20
1
21
22
15
4
13
7
16
3
10
27
18
55.015.ab 03 04
3
19
28
24
6
4
11
26
3
23
14
9
12
8
17
25
5
2
FIT
1:1
100%

Артикул

Название

Примечание

Количество

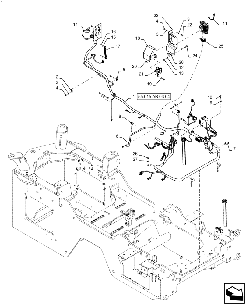
1

47679709

WIRE HARNESS

Engine and Rear Chassis, Serial Range: -NFF232958

1шт.

1

47817429

WIRE HARNESS

Engine and Rear Chassis, Start Serial: NFF232959

1шт.

2

515-24238

CLAMP,15/16", Insul, 7/16" Bolt

2шт.

3

895-11010

WASHER,11mm ID x 20mm OD x 2mm Thk

14шт.

4

832-10410

NUT,M10 x 1.5, Cl 8

13шт.

5

515-2495

CLAMP,3/8", Insul, 7/16" Bolt

2шт.

6

515-24349

CLAMP,1 3/8", Insul, 7/16" Bolt

2шт.

7

L11541

CABLE TIE,203.2mm L, Nylon

5шт.

8

515-24190

CLAMP,3/4", Insul, 7/16" Bolt

2шт.

9

895-11005

WASHER,5.5mm ID x 10mm OD x 1mm Thk

7шт.

10

463-11016

SCREW,Hex Hd, #10-24 x 1"

5шт.

11

47498377

CABLE

Starter Relay

1шт.

12

895-11006

WASHER,6.6mm ID x 12mm OD x 1.6mm Thk

13шт.

13

832-10406

NUT,M6 x 1, Cl 8

7шт.

14

515-21302

CLAMP,1 3/16", Insul, 1/4" Bolt

1шт.

15

L127554

WASHER,0.395" ID x 0.875" OD x 0.064" Thk

2шт.

16

253347A1

NUT,Hex, M10 x 1.5

2шт.

17

L126051

GROUND STRAP

1шт.

18

47601507

PLATE

Relay Cover

1шт.

19

840-1525

SCREW,Pan, M5 x 25mm, Cl 4.8

2шт.

20

832-10405

NUT,M5 x .8, Cl 8

2шт.

21

47410078

PROTECTOR

Power Feed Stud

1шт.

22

627-10030

BOLT,Hex, M10 x 1.5 x 30mm, Cl 10.9, Full Thd

2шт.

23

47643963

BRACKET

Relay

1шт.

24

627-6025

BOLT,Hex, M6 x 1 x 25mm, Cl 10.9, Full Thd

8шт.

25

87351908

SOLENOID SWITCH

Relay

1шт.

26

832-10408

NUT,M8 x 1.25, Cl 8.8

1шт.

27

895-11008

WASHER,9mm ID x 16mm OD x 1.6mm Thk

1шт.

28

515-22317

CLAMP,1 1/4", Insul, 5/16" Bolt

1шт.

Выбрано товаров: 0