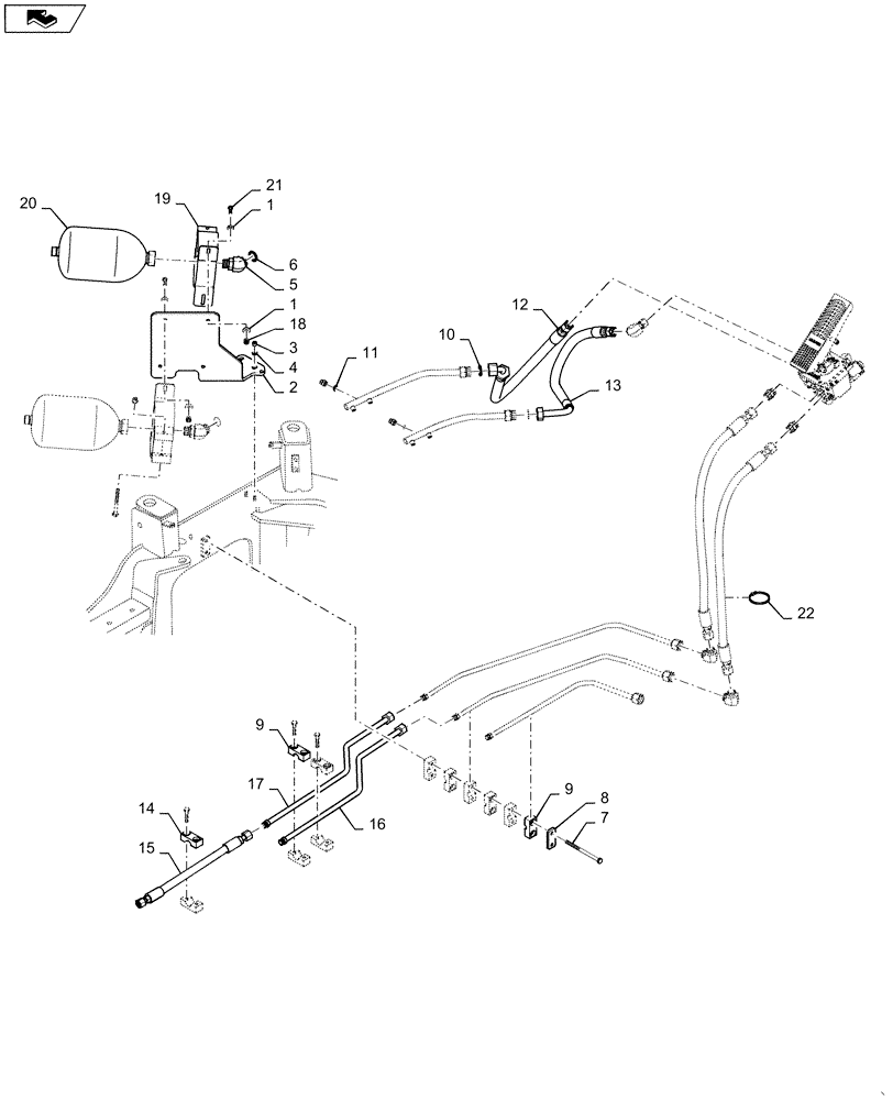
Запчасти Case 921F (33.202.AA) - BRAKE ACCUMULATOR HYDRAULIC LINES (33) - BRAKES & CONTROLS

Схема запчастей Case 921F - (33.202.AA) - BRAKE ACCUMULATOR HYDRAULIC LINES (33) - BRAKES & CONTROLS
19
14
12
8
10
11
9
22
6
7
2
20
21
5
17
9
3
home
16
18
1
13
4
1
15
FIT
1:1
100%

Артикул

Название

Примечание

Количество

1

895-15008

WASHER,9mm ID x 20mm OD x 1.6mm Thk

8шт.

2

84295689

BRACKET, SUPPORTING

Accumulator

1шт.

3

832-10412

NUT,M12 x 1.75, Cl 8

3шт.

4

896-15012

WASHER,13.5mm ID x 28mm OD x 4mm Thk

3шт.

5

700-387

ELBOW,45 Degree Elbow, 1-3/16" - 12 Male ORFS x M27 x 2 Male ORB

1шт.

6

238-6018

O-RING,0.07" Thk x 0.739" ID, -18, Cl 6, 90 Duro

1шт.

7

827-10150

BOLT,Hex, M10 x 1.5 x 150mm, Cl 10.9

4шт.

8

367658A1

PLATE

Clamp Cover

2шт.

9

8500210

CLAMP

Block Tube Mounting

6шт.

10

238-6018

O-RING,0.07" Thk x 0.739" ID, -18, Cl 6, 90 Duro

2шт.

11

238-6011

O-RING,0.07" Thk x 0.301" ID, -11, Cl 6, 90 Duro

2шт.

12

84308885

FLEXIBLE HOSE

Front Brake Accumulator, Serial Range: -NEF221608

1шт.

12

47574949

HOSE

Front Brake Accumulator, Start Serial: NEF221609

1шт.

13

84308886

FLEXIBLE HOSE

Rear Brake Accumulator, Serial Range: -NEF221608

1шт.

13

47574950

HOSE

Rear Brake Accumulator, Start Serial: NEF221609

1шт.

14

367489A1

BLOCK

Tube Mounting

2шт.

15

84382794

HOSE ASSY.

Fan Control

1шт.

16

84382793

HYD TUBE

Pump Pressure

1шт.

17

84382791

HYD TUBE

Fan Control

1шт.

18

832-10408

NUT,M8 x 1.25, Cl 8.8

4шт.

19

8501315

CLAMP,167mm - 175mm

Accumulator

2шт.

20

87728740

ACCUMULATOR

Service Brake

2шт.

21

627-8030

BOLT,Hex, M8 x 1.25 x 30mm, Cl 10.9, Full Thd

4шт.

22

L11541

CABLE TIE,203.2mm L, Nylon

2шт.

Выбрано товаров: 24