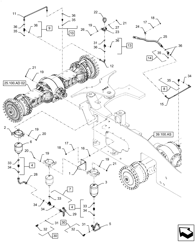
Запчасти Case 1021G (33.110.010[02]) - VAR - 424235 - BRAKE ACCUMULATOR INSTALLATION, HD AXLE (33) - BRAKES & CONTROLS

Схема запчастей Case 1021G - (33.110.010[02]) - VAR - 424235 - BRAKE ACCUMULATOR INSTALLATION, HD AXLE (33) - BRAKES & CONTROLS
39.100.as
34
36
23
36
18
33
26
34
19
19
14
30
21
27
2
34
16
25
12
32
35
24
4
31
31
5
1
4
32
17
36
15
21
35
20
6
36
20
10
36
30
35
36
35
33
19
9
34
8
13
7
3
18
29
19
28
11
19
31
17
33
34
21
22
25.100.ad 02
FIT
1:1
100%

Артикул

Название

Примечание

Количество

1

84305573

MOUNTING PLATE

Accumulator to Chassis

1шт.

2

8501315

CLAMP,167mm - 175mm

3шт.

3

87728740

ACCUMULATOR

Service Brake, 3.5L, 334mm L (13 - 9/64 in)

1шт.

4

86579682

HYD CONNECTOR,1-3/16" - 12 ORFS x M27 x 2 ORB

Incl 33, 34

2шт.

5

47359724

RIGID TUBE

Rear Accumulator

1шт.

6

84353396

ACCUMULATOR

Service Brake, 2.8L, 278mm L (10- 15/16 in)

2шт.

7

86579712

TEE

Incl 33, 34

1шт.

8

86579691

90 ELBOW,90 Degree, 13/16"-18 ORFS x M18 x 1.5 ORB

Incl 34, 35

1шт.

9

86579702

TEE,13/16" - 16 ORFS x 13/16" - 16 ORFS x M18 x 1.5 ORB

Incl 35, 36

1шт.

10

86579676

HYD CONNECTOR,13/16" - 16 ORFS x M18 x 1.5 ORB

Incl 35 - 36

1шт.

11

84306483

HYD TUBE

Front Axle Brake

1шт.

12

84306523

TUBE

Front Brake Supply

1шт.

13

84218880

RUN TEE,13/16" - 16 ORFS x 13/16" - 16 ORFS x 9/16" - 18 ORB

Incl 31, 36

1шт.

14

86579710

TEE,13/16"-16 ORFS x M18 x 1.5 ORB Br

Incl 35, 36

1шт.

15

84306474

TUBE

Rear Axle Brake

1шт.

16

896-16016

WASHER,17.5mm ID x 34mm OD x 5mm Thk

4шт.

17

895-11010

WASHER,11mm ID x 20mm OD x 2mm Thk

5шт.

18

832-10410

NUT,M10 x 1.5, Cl 8

5шт.

19

896-15008

WASHER,9mm ID x 21mm OD x 2.5mm Thk

10шт.

20

627-8030

BOLT,Hex, M8 x 1.25 x 30mm, Cl 10.9, Full Thd

4шт.

21

832-10408

NUT,M8 x 1.25, Cl 8.8

6шт.

22

84393492

ACCUMULATOR

Brake Damping

1шт.

23

84272713

CLAMP,73mm - 79mm

1шт.

24

515-23270

CLAMP,1 1/16", Insul, 3/8" Bolt

1шт.

25

84306472

HOSE,15.88mm ID x 770mm L, SAE 100R17

Rear Brake Supply

1шт.

26

827-8035

BOLT,Hex, M8 x 1.25 x 35mm, Cl 10.9

2шт.

27

896-11008

WASHER,9mm ID x 17mm OD x 2mm Thk

2шт.

28

84305609

HYD TUBE

Front Accumulator

1шт.

29

84379354

HYD TUBE

Front Accumulator

1шт.

30

190117A1

COUPLING

Diagnostic, Incl 32

2шт.

31

9825770

O-RING,0.07" Thk x 0.301" ID, -11, Cl 6, 90 Duro

4шт.

32

H434163

DUST CAP

2шт.

33

86598103

O-RING,2.9mm Thk x 23.6mm ID, Cl 6, 90 Duro

4шт.

34

9991976

O-RING,0.07" Thk x 0.739" ID, -18, Cl 6, 90 Duro

10шт.

35

86598101

O-RING,2.2mm Thk x 15.3mm ID, Cl 6, 90 Duro

8шт.

36

9992298

O-RING,0.07" Thk x 0.489" ID, -14, Cl 6, 90 Duro

12шт.

Выбрано товаров: 36