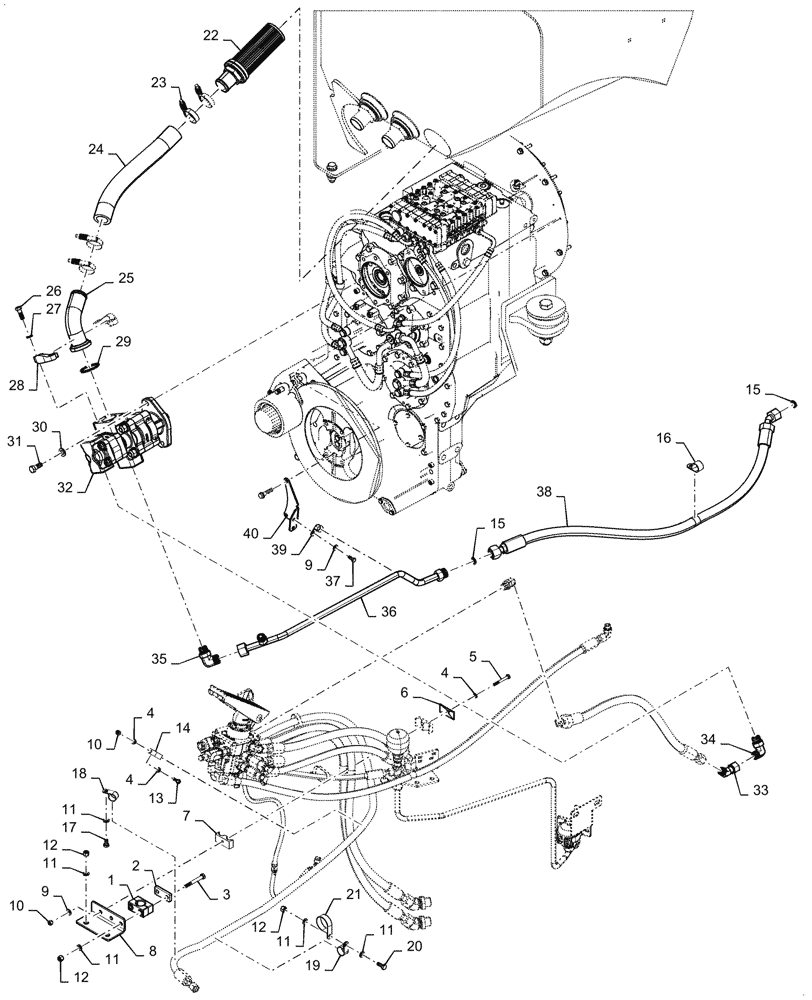
Запчасти Case 1021G (33.202.020[03]) - MAIN HYDRAULIC BRAKE (33) - BRAKES & CONTROLS

Схема запчастей Case 1021G - (33.202.020[03]) - MAIN HYDRAULIC BRAKE (33) - BRAKES & CONTROLS
36
21
12
40
15
11
17
39
26
5
9
14
12
16
33
18
3
1
32
11
25
10
8
7
37
6
34
24
2
38
4
31
29
13
22
20
11
23
35
9
12
28
4
27
30
15
10
4
11
19
11
FIT
1:1
100%

Артикул

Название

Примечание

Количество

1

372453A1

BLOCK

Tube Mounting

1шт.

2

367658A1

PLATE

1шт.

3

827-10080

BOLT,Hex, M10 x 1.5 x 80mm, Cl 10.9

2шт.

4

895-11008

WASHER,9mm ID x 16mm OD x 1.6mm Thk

3шт.

5

827-8065

BOLT,Hex, M8 x 1.25 x 65mm, Cl 10.9

1шт.

6

87000230

PLATE

1шт.

7

50-2534T1

CLAMP

2шт.

8

84582838

BRACKET

Accumulator Hose Support

1шт.

9

895-15008

WASHER,9mm ID x 20mm OD x 1.6mm Thk

2шт.

10

832-10408

NUT,M8 x 1.25, Cl 8.8

2шт.

11

895-11010

WASHER,11mm ID x 20mm OD x 2mm Thk

7шт.

12

832-10410

NUT,M10 x 1.5, Cl 8

5шт.

13

627-8030

BOLT,Hex, M8 x 1.25 x 30mm, Cl 10.9, Full Thd

1шт.

14

515-22254

CLAMP,1", Insul, 5/16" Bolt

1шт.

15

238-6018

O-RING,0.07" Thk x 0.739" ID, -18, Cl 6, 90 Duro

4шт.

16

515-24302

CLAMP,1 3/16", Insul, 7/16" Bolt

1шт.

17

627-10020

BOLT,Hex, M10 x 1.5 x 20mm, Cl 10.9, Full Thd

1шт.

18

515-23254

CLAMP,1", Insul, 3/8" Bolt

1шт.

19

515-23302

CLAMP,1 3/16", Insul, 3/8" Bolt

1шт.

20

627-10025

BOLT,Hex, M10 x 1.5 x 25mm, Cl 10.9, Full Thd

1шт.

21

515-23508

CLAMP,2", Insul, 3/8" Bolt

1шт.

22

84201770

FILTER STRAINER

1шт.

23

254026A1

HOSE CLAMP,44.45mm - 66.67mm

4шт.

24

47711541

HOSE

Tank to Brake Pump, 418mm L

1шт.

25

84380001

HYD TUBE

Hydraulic Pump Suction

1шт.

26

627-12035

BOLT,Hex, M12 x 1.75 x 35mm, Cl 10.9, Full Thd

4шт.

27

892-11012

LOCK WASHER,M12

4шт.

28

A14141

FLANGE

2шт.

29

238-6228

O-RING,0.139" Thk x 2.234" ID, -228, Cl 6, 90 Duro

1шт.

30

896-11014

WASHER,15.5mm ID x 28mm OD x 3mm Thk

2шт.

31

627-14035

BOLT,Hex, M14 x 2 x 35mm, Cl 10.9, Full Thd

2шт.

32

84306957

PUMP,38.51 CC

1шт.

33

84214050

45 ELBOW,1" - 14 Male ORFS x 1" - 14 Female ORFS

1шт.

34

84100209

90 ELBOW,1"-14 ORFS x M27 x 2 ORB

1шт.

35

700-307

ELBOW,90 Degree Elbow, 1-3/16" - 12 Male ORFS x M27 x 2 Male ORB

1шт.

36

47919746

TUBE

Valve In, 918mm L

1шт.

37

627-8020

BOLT,Hex, M8 x 1.25 x 20mm, Cl 10.9, Full Thd

1шт.

38

84468974

HOSE,19.05mm ID x 1365mm L, SAE 100R17

Valve In, 1365mm L, Service O-Rings Ref. 15

1шт.

39

515-23190

CLAMP,3/4", Insul, 3/8" Bolt

1шт.

40

84468993

BRACKET

Tube Support

1шт.

Выбрано товаров: 40