Запчасти Case 1021G (35.357.040[01]) - VAR - 734055 - CONTROL VALVE, MOUNTING - 4 FUNCTION, 5 SPOOL (35) - HYDRAULIC SYSTEMS

Схема запчастей Case 1021G - (35.357.040[01]) - VAR - 734055 - CONTROL VALVE, MOUNTING - 4 FUNCTION, 5 SPOOL (35) - HYDRAULIC SYSTEMS
9
8
11
3
1
4
6
10
6
5
2
3
7
35.359.050 01
FIT
1:1
100%

Артикул

Название

Примечание

Количество

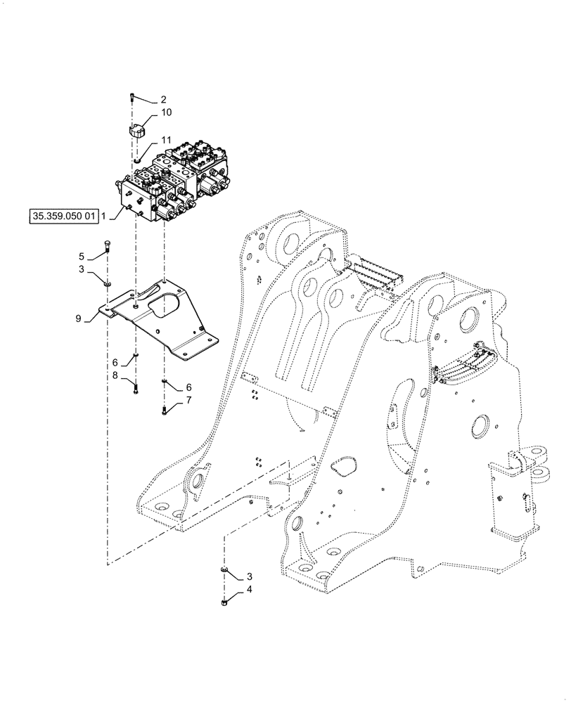
1

47861491

CONTROL VALVE

4 Function, 5 Spool

1шт.

2

864-10035

HEX SOC SCREW,M10 x 35mm, Cl 8.8

8шт.

3

896-16016

WASHER,17.5mm ID x 34mm OD x 5mm Thk

8шт.

4

832-10416

NUT,M16 x 2, Cl 8

4шт.

5

627-16050

BOLT,Hex, M16 x 2 x 50mm, Cl 10.9, Full Thd

4шт.

6

896-11012

WASHER,13.5mm ID x 24mm OD x 3mm Thk

3шт.

7

627-12035

BOLT,Hex, M12 x 1.75 x 35mm, Cl 10.9, Full Thd

2шт.

8

827-12045

BOLT,Hex, M12 x 1.75 x 45mm, Cl 10.9, Full Thd

1шт.

9

47936774

BRACKET

Loader Valve

1шт.

10

84312235

BLOCK

Loader Valve

2шт.

11

238-6214

O-RING,0.139" Thk x 0.984" ID, -214, Cl 6, 90 Duro

2шт.

Выбрано товаров: 0