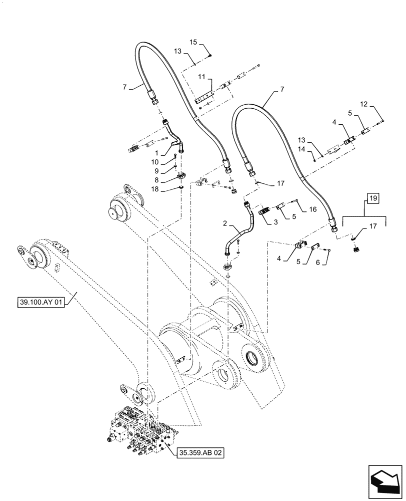
Запчасти Case 1021G (35.359.020[01]) - VAR - 782492 - HOSE INSTALLATION, 3 SPOOL / 3 LEVER (35) - HYDRAULIC SYSTEMS

Схема запчастей Case 1021G - (35.359.020[01]) - VAR - 782492 - HOSE INSTALLATION, 3 SPOOL / 3 LEVER (35) - HYDRAULIC SYSTEMS
35.359.ab 02
17
2
16
15
8
14
11
9
5
13
4
12
7
7
10
19
18
6
13
5
5
4
3
17
1
39.100.ay 02
FIT
1:1
100%

Артикул

Название

Примечание

Количество

1

47597874

TUBE

Third Spool, RH

1шт.

2

47597914

TUBE

Third Spool, LH

1шт.

3

84240207

ASSEMBLY

Tube Mount Block

2шт.

4

87444561

BLOCK

Mounting

4шт.

5

8500858

PLATE

Clamp Cover

6шт.

6

827-10070

BOLT,Hex, M10 x 1.5 x 70mm, Cl 10.9

4шт.

7

47598900

HOSE

Auxiliary Hydraulic, Z Bar

2шт.

7

47703750

HOSE

Auxiliary Hydraulic, XR/LR

2шт.

8

86980731

CLAMP

Split Flange

4шт.

9

892-11010

LOCK WASHER,M10

8шт.

10

627-10035

BOLT,Hex, M10 x 1.5 x 35mm, Cl 10.9, Full Thd

8шт.

11

84308979

BRACKET

Hose Clamp

2шт.

12

827-10100

BOLT,Hex, M10 x 1.5 x 100mm, Cl 10.9

4шт.

13

895-11010

WASHER,11mm ID x 20mm OD x 2mm Thk

8шт.

14

832-10410

NUT,M10 x 1.5, Cl 8

4шт.

15

627-10025

BOLT,Hex, M10 x 1.5 x 25mm, Cl 10.9, Full Thd

4шт.

16

827-10080

BOLT,Hex, M10 x 1.5 x 80mm, Cl 10.9

4шт.

17

238-6021

O-RING,15/16 X 1 - 1/16, Cl 6

6шт.

18

238-6214

O-RING,0.139" Thk x 0.984" ID, -214, Cl 6, 90 Duro

2шт.

19

9847694

PLUG

Incl 17

2шт.

Выбрано товаров: 0