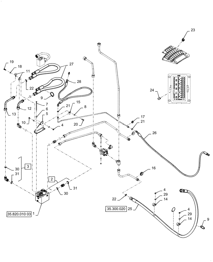
Запчасти Case 1021G (35.820.010[02]) - VAR - 482585 - FAN REVERSING VALVE INSTALLATION (35) - HYDRAULIC SYSTEMS

Схема запчастей Case 1021G - (35.820.010[02]) - VAR - 482585 - FAN REVERSING VALVE INSTALLATION (35) - HYDRAULIC SYSTEMS
35.300.020
20
23
21
4
12
31
13
26
27
3
1
8
15
16
25
30
9
29
7
17
11
28
30
4
22
10
31
14
22
5
2
24
18
21
9
14
29
4
6
19
35.820.010 03
FIT
1:1
100%

Артикул

Название

Примечание

Количество

1

8500565

HYDRAULIC VALVE

Fan Speed and Reverse

1шт.

2

86579682

HYD CONNECTOR,1-3/16" - 12 ORFS x M27 x 2 ORB

Incl 30, 31

2шт.

3

86579697

ELBOW,90 Degree, 1-3/16"-12 ORFS x M27 x 2.0 ORB

Incl 32, 33

2шт.

4

832-10410

NUT,M10 x 1.5, Cl 8

3шт.

5

84403806

BRACKET, SUPPORTING

Hydraulic Tube

1шт.

6

892-11008

LOCK WASHER,8mm ID

4шт.

7

16046231

SCREW,Hex, M8 x 1.25 x 150mm, Cl 10.9

4шт.

8

895-11008

WASHER,9mm ID x 16mm OD x 1.6mm Thk

2шт.

9

L11541

CABLE TIE,203.2mm L, Nylon

7шт.

10

832-10408

NUT,M8 x 1.25, Cl 8.8

1шт.

11

515-24190

CLAMP,3/4", Insul, 7/16" Bolt

4шт.

12

84576131

RIGID TUBE

Fan Valve M1

1шт.

13

84576133

RIGID TUBE

Fan Valve M2

1шт.

14

515-24349

CLAMP,1 3/8", Insul, 7/16" Bolt

2шт.

15

515-2395

CLAMP,3/8", Insul, 3/8" Bolt

1шт.

16

87330628

GROMMET

.750 In ID

2шт.

17

248-2399

GROMMET,3/8" ID x 1" Groove Dia, Str Cut

1шт.

18

895-11010

WASHER,11mm ID x 20mm OD x 2mm Thk

2шт.

19

627-10030

BOLT,Hex, M10 x 1.5 x 30mm, Cl 10.9, Full Thd

1шт.

20

627-8025

BOLT,Hex, M8 x 1.25 x 25mm, Cl 10.9, Full Thd

1шт.

21

238-6012

O-RING,0.07" Thk x 0.364" ID, -12, Cl 6, 90 Duro

2шт.

22

238-6018

O-RING,0.07" Thk x 0.739" ID, -18, Cl 6, 90 Duro

3шт.

23

87350049

SWITCH

Rocker, Fan Control

1шт.

24

87312626

RELAY,24V

Micro, 5 Pin

1шт.

25

47686216

HOSE

Fan Return

1шт.

26

84560970

HOSE

Fan Drain to Tank

1шт.

27

84373141

HOSE ASSY.

Fan Door

2шт.

28

84373144

HOSE ASSY.

Fan Drain

1шт.

29

896-11010

WASHER,11mm ID x 21mm OD x 2.5mm Thk

2шт.

30

86598103

O-RING,2.9mm Thk x 23.6mm ID, Cl 6, 90 Duro

6шт.

31

9991976

O-RING,0.07" Thk x 0.739" ID, -18, Cl 6, 90 Duro

6шт.

Выбрано товаров: 31