Запчасти Case 1021G (39.100.040) - REAR CHASSIS (39) - FRAMES AND BALLASTING

Схема запчастей Case 1021G - (39.100.040) - REAR CHASSIS (39) - FRAMES AND BALLASTING
7
11
6
10
1
10
11
3
2
9
5
8
13
10
10
12
15
10
4
11
5
14
11
11
FIT
1:1
100%

Артикул

Название

Примечание

Количество

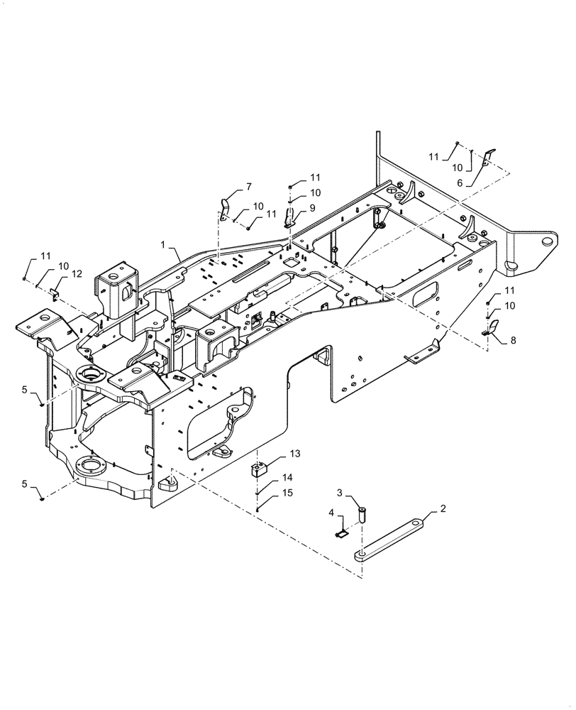
1

47899005

FRAME

Rear Chassis

1шт.

2

84532330

LOCKING PLATE

Articulation

1шт.

3

353272A1

PIN

Articulation Lock

2шт.

4

L129282

LINCH PIN

2шт.

5

219-55

LUBE NIPPLE,90 Degree Elbow, 1/8" - 27 NPTF

2шт.

6

84375466

BRACKET

Wheel Well, Front LH

1шт.

7

84375468

BRACKET

Wheel Well, Front RH

1шт.

8

84375469

BRACKET

Wheel Well, Rear LH

1шт.

9

84375471

BRACKET

Wheel Well, Rear, RH

1шт.

10

895-11010

WASHER,11mm ID x 20mm OD x 2mm Thk

10шт.

11

832-10410

NUT,M10 x 1.5, Cl 8

10шт.

12

84409470

BRACKET, SUPPORTING

Aux Tube Mount

1шт.

13

84398036

BRACKET

Drain Line

1шт.

14

892-11008

LOCK WASHER,8mm ID

1шт.

15

627-8020

BOLT,Hex, M8 x 1.25 x 20mm, Cl 10.9, Full Thd

1шт.

Выбрано товаров: 0