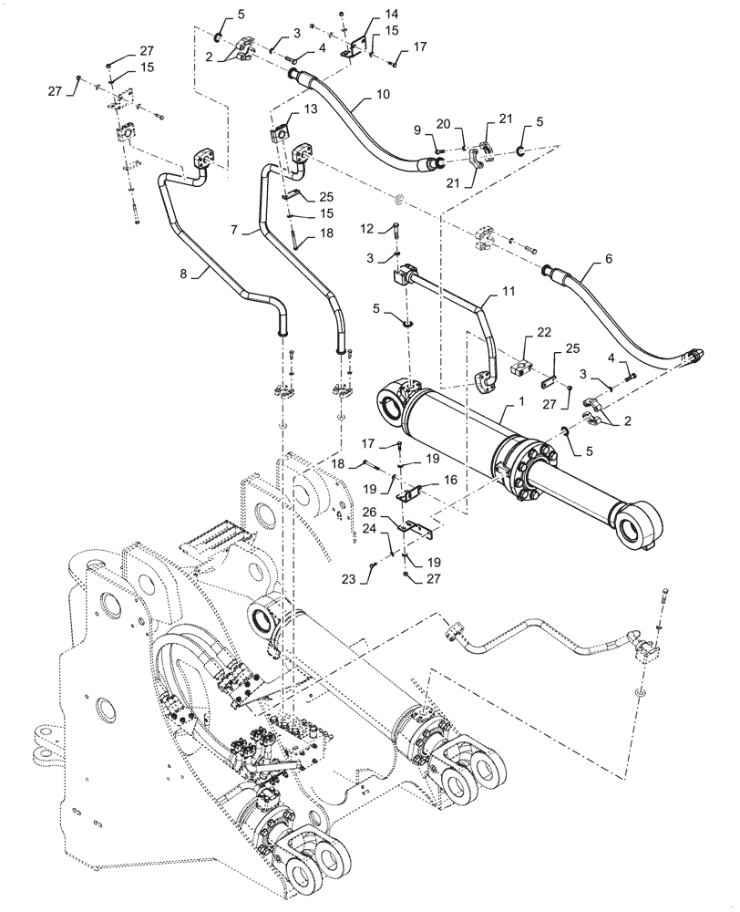
Запчасти Case 1121G (35.100.010[01]) - TILT CYLINDER LINES AND FITTINGS (35) - HYDRAULIC SYSTEMS

Схема запчастей Case 1121G - (35.100.010[01]) - TILT CYLINDER LINES AND FITTINGS (35) - HYDRAULIC SYSTEMS
3
8
3
20
24
2
21
15
23
4
18
13
5
11
6
5
16
15
3
21
10
25
19
27
25
17
27
22
7
15
4
27
14
17
5
27
9
12
5
19
19
18
26
2
1
FIT
1:1
100%

Артикул

Название

Примечание

Количество

1

84324576

HYDRAULIC CYLINDER,Double Acting, 127mm Rod, 694.7mm Stroke

Tilt Cylinder, Z-Bar

1шт.

1

84344681

HYDRAULIC CYLINDER,Double Acting, 127mm Rod, 694.7mm Stroke

Tilt Cylinder, XR

1шт.

2

87680118

CLAMP

6шт.

3

892-11014

LOCK WASHER,14.5mm ID x 24.1mm OD x 4.5mm Thk

16шт.

4

827-14050

BOLT,Hex, M14 x 2 x 50mm, Cl 10.9

12шт.

5

238-6222

O-RING,0.139" Thk x 1.484" ID, -222, Cl 6, 90 Duro

5шт.

6

47830672

HOSE

Tilt Cylinder

1шт.

7

47830671

HOSE

Tilt Base, LH

1шт.

8

47880280

TUBE

Tilt Base, RH

1шт.

9

827-12050

BOLT,Hex, M12 x 1.75 x 50mm, Cl 10.9

4шт.

10

47830670

HOSE

Tilt Cylinder

1шт.

11

84340168

HYD TUBE

1шт.

12

827-14070

BOLT,Hex, M14 x 2 x 70mm, Cl 10.9

4шт.

13

84240210

CLAMP,16mm ID

2шт.

14

47607161

BRACKET

2шт.

15

895-15010

WASHER,11mm ID x 24mm OD x 2mm Thk

16шт.

16

47950652

BRACKET

Tilt Tube Mount

1шт.

17

627-10035

BOLT,Hex, M10 x 1.5 x 35mm, Cl 10.9, Full Thd

6шт.

18

827-10090

BOLT,Hex, M10 x 1.5 x 90mm, Cl 10.9

6шт.

19

896-15010

WASHER,11mm ID x 24mm OD x 3mm Thk

6шт.

20

892-11012

LOCK WASHER,M12

4шт.

21

86980733

CLAMP

2шт.

22

87452747

CLAMP,33.4mm ID

1шт.

23

627-10025

BOLT,Hex, M10 x 1.5 x 25mm, Cl 10.9, Full Thd

2шт.

24

895-11010

WASHER,11mm ID x 20mm OD x 2mm Thk

2шт.

25

8500858

PLATE

3шт.

26

47950651

BRACKET

Tilt Tube Mount

1шт.

27

832-10410

NUT,M10 x 1.5, Cl 8

8шт.

Выбрано товаров: 28