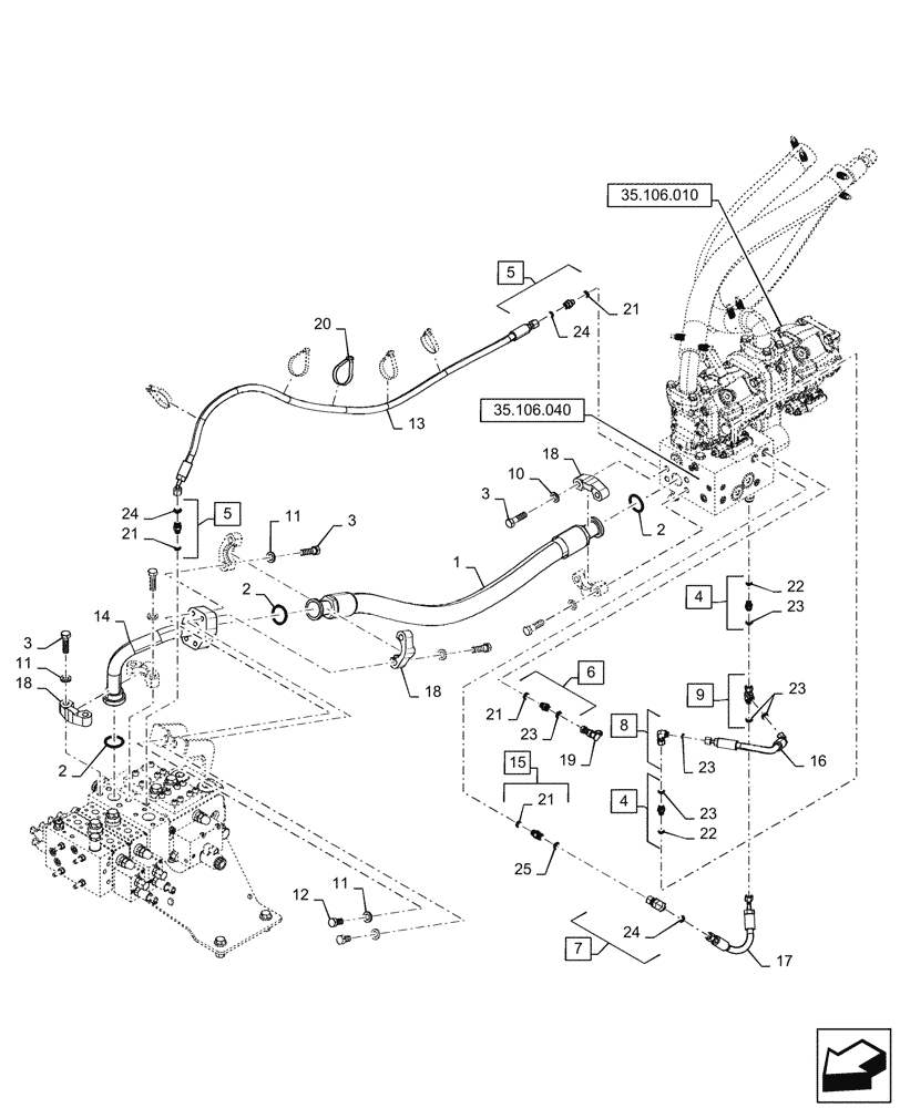
Запчасти Case 1121G (35.106.030) - VAR - 424224 - HYDRAULIC PUMP INSTALLATION (35) - HYDRAULIC SYSTEMS

Схема запчастей Case 1121G - (35.106.030) - VAR - 424224 - HYDRAULIC PUMP INSTALLATION (35) - HYDRAULIC SYSTEMS
35.106.040
11
13
8
24
1
15
16
7
2
24
21
21
2
24
20
22
2
11
18
10
19
18
23
9
22
18
14
4
23
23
5
6
23
17
3
3
5
4
21
12
23
21
11
3
25
35.106.010
FIT
1:1
100%

Артикул

Название

Примечание

Количество

1

84322170

HOSE,38.1mm ID x 1230mm L, SAE 100R13

Articulation Pressure

1шт.

2

238-6225

O-RING,0.139" Thk x 1.859" ID, -225, Cl 6, 90 Duro

3шт.

3

627-16055

BOLT,Hex, M16 x 2 x 55mm, Cl 10.9, Full Thd

12шт.

4

86593173

HYD CONNECTOR,9/16"-18 ORFS x M12 x 1.5 ORB

Incl 22, 23

2шт.

5

86579671

HYD CONNECTOR,11/16" - 16 ORFS x M14 x 1.5 ORB

Incl 21, 24

2шт.

6

87661868

HYD CONNECTOR

Incl 21, 23

1шт.

7

84989392

ELBOW,90 Degree, 11/16"-16 ORFS x 11/16"-16 Fem Sw

Incl 24

1шт.

8

84989411

ELBOW,90 Degree, 9/16"-18 ORFS x 9/16"-18 Fem Sw

Incl 23

1шт.

9

83961945

TEE,9/16"-18 ORFS x 9/16"-18 Fem Sw Run

Incl 23

1шт.

10

895-11016

WASHER,17.5mm ID x 30mm OD x 3mm Thk

4шт.

11

896-11016

WASHER,17.5mm ID x 30mm OD x 4mm Thk

10шт.

12

627-16030

BOLT,Hex, M16 x 2 x 30mm, Cl 10.9, Full Thd

2шт.

13

84533556

HOSE ASSY.

Articulation Load Sense

1шт.

14

84322175

TUBE

Valve Pressure

1шт.

15

84327039

CHECK VALVE

Incl 21, 25

1шт.

16

84328973

HOSE,9.53mm ID x 397mm L, SAE 100R16

To Pump

1шт.

17

47921491

HOSE

Priority Valve to Pump

1шт.

18

86980734

CLAMP

Split Flange

6шт.

19

190117A1

COUPLING

Diagnostic Coupler

1шт.

20

84266050

CABLE TIE,384mm L, Polyamide

5шт.

21

86598099

O-RING,2.2mm Thk x 11.3mm ID, Cl 6

8шт.

22

86598098

O-RING,2.2mm Thk x 9.3mm ID, Cl 6, 90 Duro

4шт.

23

9825770

O-RING,0.07" Thk x 0.301" ID, -11, Cl 6, 90 Duro

12шт.

24

9993141

O-RING,0.07" Thk x 0.364" ID, -12, Cl 6, 90 Duro

4шт.

25

238-6012

O-RING,0.07" Thk x 0.364" ID, -12, Cl 6, 90 Duro

2шт.

Выбрано товаров: 0