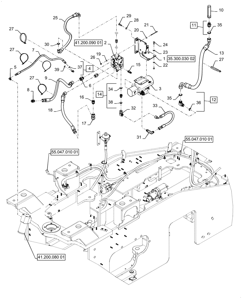
Запчасти Case 1121G (41.200.030[01]) - VAR - 482913, 782442 - ELECTRIC SYSTEM CONTROL, STEERING - W/ JOYSTICK (41) - STEERING

Схема запчастей Case 1121G - (41.200.030[01]) - VAR - 482913, 782442 - ELECTRIC SYSTEM CONTROL, STEERING - W/ JOYSTICK (41) - STEERING
41.200.090 01
10
11
33
16
34
8
25
27
36
12
27
30
37
38
32
20
35
27
7
27
1
9
14
4
18
15
26
35
31
21
13
6
19
22
39
17
3
5
28
24
29
2
23
41.200.080 01
55.047.010 01
55.047.010 01
35.300.030 02
FIT
1:1
100%

Артикул

Название

Примечание

Количество

1

47921730

BRACKET

1шт.

2

47792683

MANIFOLD

1шт.

3

87581480

ELECTRIC PUMP

Aux Steering

1шт.

4

700-378

ELBOW,90 Degree Elbow, 9/16" - 18 Male ORFS x M14 x 1.5 Male ORB

Incl 37, 39

1шт.

5

700-303

ELBOW,90 Degree Elbow, 9/16" - 18 Male ORFS x M12 x 1.5 Male ORB

1шт.

6

700-164

HYD CONNECTOR,1-3/16" - 12 Male ORFS x M33 x 2 Male ORB

2шт.

7

84419579

HOSE ASSY.

Orbitrol to Manifold

1шт.

8

700-107

HYD CONNECTOR,1-3/16" - 12 Male ORFS x M22 x 1.5 Male ORB

1шт.

9

47740111

HOSE

Manifold to Orbitrol

1шт.

10

L129303

FILTER SCREEN

Hydraulic Tank

1шт.

11

87433494

HYD CONNECTOR

Incl 35

1шт.

12

700-313

ELBOW,90 Degree Elbow, 1-7/16" - 12 Male ORFS x M27 x 2 Male ORB

Incl 35, 36

1шт.

13

84562506

HOSE,25.4mm ID x 953mm L, SAE 100R1

Tank to Pump

1шт.

14

700-103

HYD CONNECTOR,1" - 14 Male ORFS x M22 x 1.5 Male ORB

Incl 34, 38

2шт.

15

84409605

SENSOR

Aux Steering Pressure

1шт.

16

87534063

CHECK VALVE,1-3/16" - 12 ORFS x M27 x 2 ORB

1шт.

17

701-342

ELBOW,90 Degree Elbow, 1-3/16" - 12 Male ORFS x 1-3/16" - 12 Female ORFS

1шт.

18

84374364

HOSE ASSY.

Prioroity Valve to Aux Steering Valve

1шт.

19

895-25006

WASHER,6.6mm ID x 18mm OD x 1.6mm Thk

4шт.

20

140040

WASHER,6.6mm ID x 22mm OD x 2mm Thk

4шт.

21

814-6110

BOLT,Hex, M6 x 1 x 110mm, Cl 8.8

4шт.

22

895-18010

WASHER,10.5mm ID x 18mm OD x 1.6mm Thk

4шт.

23

896-15010

WASHER,11mm ID x 24mm OD x 3mm Thk

4шт.

24

627-10030

BOLT,Hex, M10 x 1.5 x 30mm, Cl 10.9, Full Thd

4шт.

25

84415051

HOSE ASSY.

Return Manifold

1шт.

26

832-10406

NUT,M6 x 1, Cl 8

4шт.

27

84266050

CABLE TIE,384mm L, Polyamide

5шт.

28

896-11016

WASHER,17.5mm ID x 30mm OD x 4mm Thk

4шт.

29

627-16050

BOLT,Hex, M16 x 2 x 50mm, Cl 10.9, Full Thd

4шт.

30

238-6016

O-RING,0.07" Thk x 0.614" ID, -16, Cl 6, 90 Duro

1шт.

31

84129708

ELBOW

1шт.

32

701-361

ELBOW,90 Degree Elbow, 1" - 14 Male ORFS x 1" - 14 Female ORFS

1шт.

33

47924122

HOSE

Relief to Return

1шт.

34

86598102

O-RING,2.2mm Thk x 19.3mm ID, Cl 6, 90 Duro

2шт.

35

238-6021

O-RING,15/16 X 1 - 1/16, Cl 6

2шт.

36

637-64236

O-RING,2.9mm Thk x 23.6mm ID, Cl 6, 90 Duro

1шт.

37

238-6011

O-RING,0.07" Thk x 0.301" ID, -11, Cl 6, 90 Duro

1шт.

38

9992069

O-RING,0.07" Thk x 0.614" ID, -16, Cl 6, 90 Duro

2шт.

39

86639042

O-RING,2.2mm Thk x 11.3mm ID, Cl 6

1шт.

Выбрано товаров: 39