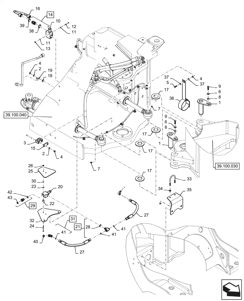
Запчасти Case 1121G (41.216.010[02]) - STEERING CYLINDER LINES AND INSTALLATION (41) - STEERING

Схема запчастей Case 1121G - (41.216.010[02]) - STEERING CYLINDER LINES AND INSTALLATION (41) - STEERING
39.100.030
17
43
7
11
39
36
8
23
25
1
41
32
7
42
30
2
28
9
27
29
5
19
17
17
35
11
27
17
20
24
37
40
12
38
6
2
9
37
4
3
31
41
1
33
34
21
4
41
18
14
13
26
6
4
16
8
15
10
22
39.100.040
FIT
1:1
100%

Артикул

Название

Примечание

Количество

1

87380685

PIN,50.76mm OD x 184mm L

Steering Cylinder Base

2шт.

2

895-11010

WASHER,11mm ID x 20mm OD x 2mm Thk

4шт.

3

372453A1

BLOCK

Tube Mounting

1шт.

4

832-10410

NUT,M10 x 1.5, Cl 8

4шт.

5

627-10030

BOLT,Hex, M10 x 1.5 x 30mm, Cl 10.9, Full Thd

1шт.

6

896-15012

WASHER,13.5mm ID x 28mm OD x 4mm Thk

2шт.

7

219-1

LUBE NIPPLE,1/8" - 27 NPTF

2шт.

8

L128157

SPACER,12.95mm ID x 19.05mm OD x 16mm L

4шт.

9

627-12040

BOLT,Hex, M12 x 1.75 x 40mm, Cl 10.9, Full Thd

4шт.

10

87427823

VALVE PRESSURE RELIE

1шт.

11

895-11006

WASHER,6.6mm ID x 12mm OD x 1.6mm Thk

4шт.

12

827-6060

BOLT,Hex, M6 x 60mm, Cl 10.9

2шт.

13

832-10406

NUT,M6 x 1, Cl 8

2шт.

14

86579682

HYD CONNECTOR,1-3/16" - 12 ORFS x M27 x 2 ORB

Incl 38, 39

1шт.

15

367658A1

PLATE

Clamp Cover

1шт.

16

84398370

HYD TUBE

Relief Valve to Return

1шт.

17

84305591

WASHER

52mm x 105mm x 6.35mm

4шт.

18

895-11012

WASHER,13.5mm ID x 24mm OD x 2.5mm Thk

1шт.

19

515-24190

CLAMP,3/4", Insul, 7/16" Bolt

3шт.

20

84346122

VALVE PRESSURE RELIE

Steering Cylinder

1шт.

21

84391530

CHECK VALVE

Incl 28, 41

1шт.

22

87563043

SPACER

2шт.

23

895-25006

WASHER,6.6mm ID x 18mm OD x 1.6mm Thk

2шт.

24

827-6080

BOLT,Hex, M6 x 80mm, Cl 10.9

2шт.

25

84528072

COVER PLATE

Relief Valve

1шт.

26

825-2406

FLANGE NUT,M6 x 1, Cl 8.8

2шт.

27

47772092

HOSE

Relief Valve

2шт.

28

86598101

O-RING,2.2mm Thk x 15.3mm ID, Cl 6, 90 Duro

4шт.

29

86579680

HYD CONNECTOR,1"-14 ORFS x M22 x 1.5mm ORB

Incl 42, 43

1шт.

30

829-1406

NUT,Hex, M6 x 1, Cl 10.9

2шт.

31

86579691

90 ELBOW,90 Degree, 13/16"-18 ORFS x M18 x 1.5 ORB

Incl 40, 41

2шт.

32

84528071

BRACKET

Relief Valve

1шт.

33

87349269

U-BOLT

Round Bend

1шт.

34

829-2410

FLANGE NUT,M10 x 1.5, Flg, Cl 10

4шт.

35

84307066

BRACKET, SUPPORTING

Pilot Line

1шт.

36

87349992

CABLE TIE

Articulation Hoses

1шт.

37

895-15010

WASHER,11mm ID x 24mm OD x 2mm Thk

2шт.

38

86598103

O-RING,2.9mm Thk x 23.6mm ID, Cl 6, 90 Duro

2шт.

39

9991976

O-RING,0.07" Thk x 0.739" ID, -18, Cl 6, 90 Duro

2шт.

40

86598101

O-RING,2.2mm Thk x 15.3mm ID, Cl 6, 90 Duro

1шт.

41

9992298

O-RING,0.07" Thk x 0.489" ID, -14, Cl 6, 90 Duro

4шт.

42

86598102

O-RING,2.2mm Thk x 19.3mm ID, Cl 6, 90 Duro

2шт.

43

9992069

O-RING,0.07" Thk x 0.614" ID, -16, Cl 6, 90 Duro

2шт.

Выбрано товаров: 43